新手请教几个pspice仿真库中元件的问题
录入:edatop.com 阅读:
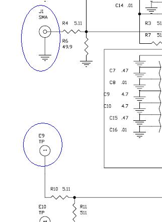
下了某芯片的datasheet,给了一个pspice仿真的电路图,我想问下图中的J1 SMA 和 E9 TP是在spice的什么库里面,谢谢了

申明:网友回复良莠不齐,仅供参考。如需专业解答,请学习本站推出的微波射频专业培训课程。

