看看这几个反馈
录入:edatop.com 阅读:
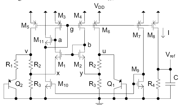
这个loop gain 怎么求
上面那个事m1,m2,m3,m4组成的反馈环的loopgain
再看看下面这个
这个上次不是看过了吗?
确实很难
2# qerqing
我猜小编想问的是M1a在这里的作用吧?
我看了一下电路,感觉M1a在这里主要有两个作用
1.嵌位b点电位,使得差分对M1b和M2能更加匹配
2.增加bandgap的环路增益:当X点减小时,b点电位增加,M1a放大误差信号。即环路增益增加gm1aRout倍。从电路中可以看到该运放是两极运放,所以要进行补偿
如有不对请更正。
难度很高啊!
申明:网友回复良莠不齐,仅供参考。如需专业解答,请学习本站推出的微波射频专业培训课程。
上一篇:请教cadence 5141 安装问题
下一篇:想出去实习,哪些公司招实习生?

