请问这两个电路的区别
录入:edatop.com 阅读:

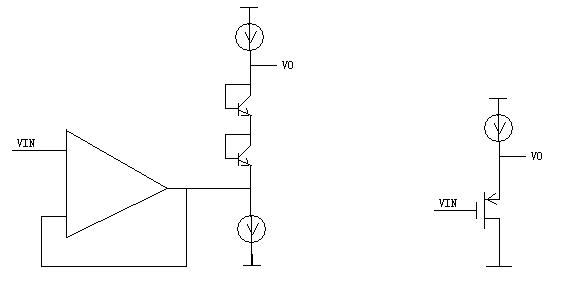
请问,上面的两个电路,都可以让输出是输入的一个电平移,右面的电路通过控制电流源应该可以使输出电位是输入电位平移1.4V的结果。那使用第一个电路需要更大的面积来实现,它的好处是不是因为VBE在工艺里的偏差比通过MOS来做更小些?
说明一下,实际电路中采用的是第一个电路,后一级是MOS管输入。这个芯片是个BICMOS工艺的。我想问的就是为什么用第一个电路做电平移,而不用第二个。谢谢
左图是BJT实现电平平移,右面是CMOS工艺制作实现的MOSFET电平平移电路;阈值电压的偏差大小与具体的工艺制程相关。
不是很懂,起什么作用
只看这一部分电路去讨论谁好是没意义的,要看后面带的什么电路,如果后面是bjt那么用bjt移电平可以track后面的,同理用mos track mos。关键还是看你需要的输出是什么
同意4楼的说法
Yes, analog designer always say: "it depends!"
impedance is different!
请大家都帮忙分析分析
申明:网友回复良莠不齐,仅供参考。如需专业解答,请学习本站推出的微波射频专业培训课程。
上一篇:这个运放实现什么功能?
下一篇:请教一个运放补偿的问题,百思不得其解

