S/H中的放大器设计
这种结构增益能达到75dB么?

我怎么感觉非常困难呢?
带宽要高,第一级的跨倒要很高,同时DC增益要高,那么第二级的输出电阻要高,电流只能很小。这样对于0.5pf的负载,用在s/h中,slew rate不会够。
不知道有没有高手?
顶起,求高手
1,增益不够可以加gain boost;
2,带宽不算很高,带0.5pF,适当的电流应该没问题;
3,管子的尺寸要选择合适,使非主极点远离GBW,PMOS输入似乎更好些,看个人爱好。
4,slew rate够不够,要看系统要求的setting time是多少;
5,这种结构就是一级运放,不宜称为第一级,第二级,容易误导。
6,总之,如果不是0.13um,1.2V供电,这个设计问题不大。
谢谢你的回复
如果不加gainboost呢?因为我也看了不少资料,好像别人的S/H放大器的设计就是这样的结构,那用smic 0.35的工艺可以达到75dB么?
.35的工艺gainboost达到75db是肯定没问题的,通常gainboost的增益可以达到100db以上
小弟最近也在做相关的内容,但corner仿真一直过不了
用的是1.8v的供电,.18的工艺,(我的电压裕量都有留100mv以上)
在tt下可以工作,但换个工艺角就不行了,求高手指教
folded cascoded想要达到75db有点困难吧,建议用gainboost
啥叫换个工艺角就不行了?
就是仿真时用另外一个工艺角就有管子进入线性区
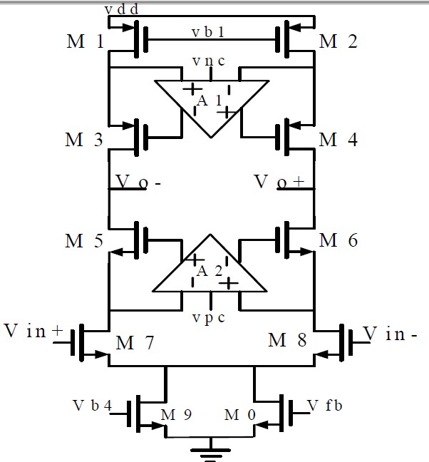
用电流镜产生的bias作偏置,不要像小编这样用电压偏置。
都是 razavi 给害的。
BTW,你的SHA只要0.5pF的电容就够了?
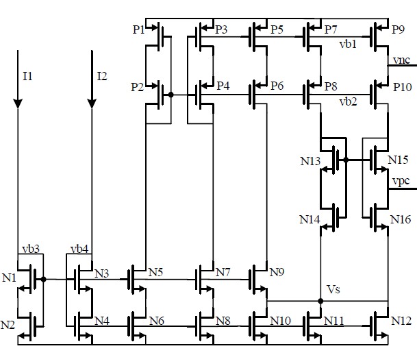
电路图如下




好复杂,看不懂,晕。
这是哪篇paper上的呀,一块发上来吧!你好!
我的也是电流镜做偏置,我只是把这个电路单独拎出来问的。
一定要加gainboost么?我看的很多资料都是不加gainboost,然后也能达到这么大增益的能做到就不加,做不到就加,没有一定的。 估计75dB有点悬,俺是指全部corner和温度。
后级的MDAC1采样电容加上S/H级的共模反馈电容,差不多为0.5pF。S/H电路为flip-around结构,反馈因子为1.
12# hammilton126
你好,我做的MDAC1中的放大器也有你的这种类似情况,换个corner或者电源电压增大为3.3V,管子就有处于线性区的。
同样为这种问题困扰着。唉。再研究研究。
申明:网友回复良莠不齐,仅供参考。如需专业解答,请学习本站推出的微波射频专业培训课程。

