一个lvr电路的结构问题
录入:edatop.com 阅读:
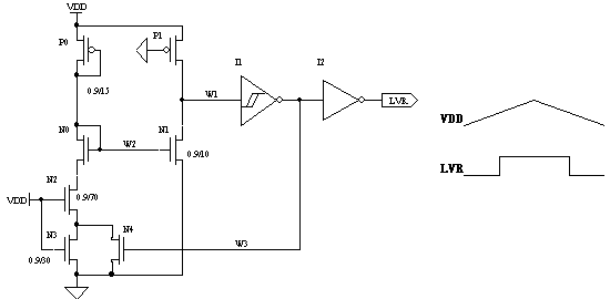
反向设计过程中遇到一个MCU的LVR电路,分析后我认为反馈到N4栅极的信号极性反了,请大家帮你帮忙看一下我分析的对不对。谢谢!
兄弟!做反向电路的啊?请教个问题啊。国内模拟电路的反向设计有前途不?
申明:网友回复良莠不齐,仅供参考。如需专业解答,请学习本站推出的微波射频专业培训课程。
反向设计过程中遇到一个MCU的LVR电路,分析后我认为反馈到N4栅极的信号极性反了,请大家帮你帮忙看一下我分析的对不对。谢谢!
兄弟!做反向电路的啊?请教个问题啊。国内模拟电路的反向设计有前途不?
申明:网友回复良莠不齐,仅供参考。如需专业解答,请学习本站推出的微波射频专业培训课程。