输入输出共模电压不匹配,开环增益怎么测
录入:edatop.com 阅读:
各位好: 我在设计一个误差放大器(OTA)的时候,因为输入用了Pmos做跟随器,而输出电压约为VDD/2,所以不能直接将Vout与Vn用大电感连接在一起隔交流.
A.这种情况下我该做么做AC仿真呢?
B.我加个levle shift的话整个电路的输出阻抗,极点位置是不是都改变了.
非常感谢!
A.这种情况下我该做么做AC仿真呢?
B.我加个levle shift的话整个电路的输出阻抗,极点位置是不是都改变了.
非常感谢!
上电路。
小编什么意思,把电路传上来看一下
谢谢2222silicon和huhuh的回复. 主要是输出电压比允许的输入电压高,想做AC仿真,一般AC仿真用一电感隔开交流在输出与反向输入端,但是现在那样用的话反向输入端的管子已经关断了..
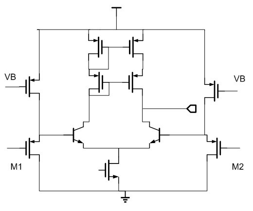
补上图:

1。人为加上一个理想电流源。
2。这个运放如何工作,一定是接成反馈的形式,应用啥样就啥样放,用cadence的stb。
1。人为加上一个理想电流源。
2。这个运放如何工作,一定是接成反馈的形式,应用啥样就啥样放,用cadence的stb。
goodsilicon 发表于 2010-5-21 11:03
谢谢goodsilicon的意见.
1.这个是作为误差放大器使用的,开环用的.
2.稳定性用candence的stability?但是开环增益那些能看到?
再次感谢!
输出用射随降压后反馈到负端,看OP输出到正端的AC特性即可
加dc level shift
开环用的?再确认一下吧!
stb可以仿真gain的。
BTW:如果真是开环用的,就不用看稳定性了。
这个好办啊
一般不是用电感和电容阻交流、通直流吗
可以用类似的方法,
只不过再用大电感分压而已
开环的话就不是误差放大器了吧
学习!
误差放大器怎么可能是开环工作的,除非是当比较器在用比如开关电源
线性的就可以接成反馈形式用stb
申明:网友回复良莠不齐,仅供参考。如需专业解答,请学习本站推出的微波射频专业培训课程。

