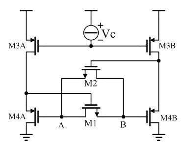
这个有源电路的等效噪声怎么计算

如何计算AB两点之间的等效噪声?写成电阻的那种nV/sqrt(Hz)形式
这个完全搞不懂这种稍微复杂电路的噪声特性计算啊,这东西没有输入只有输出
先谢谢了
咋没人理我...
顶起来
帮你顶一下
居然这么多天还是没人理...悲凉啊
node A and node B don't have DC path to gnd - basically floating, which is odd.
unless this ckt may be used for it's impedance between A and B?
Looks like differentially Zab is very small (two parallel Rds, with vds=0, overdrive vgs decided by M4a/M4b with current source M3a/M3b) due to the negative feedback
however, common mode Rab is very extremely high, essentially the input impedance of the source follower.
Since the Rab is one-port device, you can build following test bench.
Provide a combination of common mode and differential mode voltage between node A and node B.
From AC sim, find Rab.
Calculate noise: output noise is Iac into the differential voltage source, input source is the differential voltage source.
Result: Iac is equivalent current noise, input noise is equivalent voltage noise.
Let me know if this works.
仿真确实是这样仿的,Rab也可以计算出来。cadence里我直接设置没有输入噪声源只有输出噪声源,+-端分别为A,B。当然你前面说的特性也确实是成立的,对于一个电阻来说计算电压和电流噪声的比值就是阻值本身
另外这个电阻的特性和偏置有关,所有要用一个直流源串联大电感做偏置固定a,b的直流电压
主要问题有两点,triode region的噪声模型,这个在Allen的书上写做4KTgm(gamma)(1-ita)
然后是M3,M4这四个管子的特性要怎么计算
谢谢!
申明:网友回复良莠不齐,仅供参考。如需专业解答,请学习本站推出的微波射频专业培训课程。

