AB类运放
录入:edatop.com 阅读:
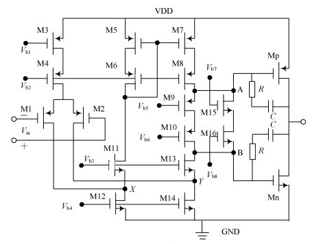
请教:怎么调节M9,M10,M15,M16的尺寸,使得功率管MN,MP在在零差分输入时,他们的栅源电压差略小于各自的阈值电压,急急急急急急急急急!
我先抛块砖。
Vb5=VDD-Vgs(Mp)-Vgs(M9);
Vb8=Vgs(M6)-Vgs(Mn);
调节Vb5和Vb8看看。
不好意思,错了,晕。
Vb8=Vgs(M16)+Vgs(Mn);
阈值电压有下式给出:
vgs(mn)=v(b8)-vgs(m16);
vgs(mp)=vdd-v(b5)-vgs(m9);
另外必须满足的条件是:
id(m9)=id(m10);
id(m15)=id(m16);
id(mn)=id(mp);
其中,第二组式子用来定m16和m9的vgs,第一组式子定mn和mp的vgs。
申明:网友回复良莠不齐,仅供参考。如需专业解答,请学习本站推出的微波射频专业培训课程。

