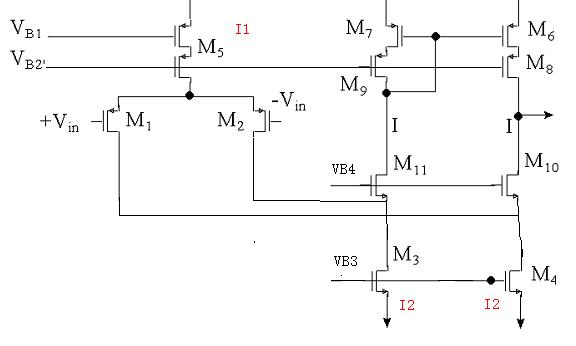
help,fold-cascode的bias
录入:edatop.com 阅读:
【1】VB3和VB4可以接在一起(偏置电压0.8V)吗,为什么?
【2】 I2一定要大于I1吗?
【2】 I2一定要大于I1吗?
1. no
2. i2/i1=2/1
接在一起VD3=VG3-VGS4, M3肯定进入线性区了
1、VB3和VB4可以接在一起
好处是省了一路偏置,坏处是增益减少了
2、I2通常要大于I1,否则摆率受限
但不一定I2/I1=2:1
接在一起M3是线性,但也不是不可以,毕竟有省一个偏置的好处。
I2有可能是1.5倍的I1
受教,若I2=I1,摆率为什么受限了呢
好帖子:若I2=I1,M10和M11截止了,要再次导通要花长时间,所以电流关系为I2为I1的1倍到两倍之间。
欢迎大家到“TI模拟”板块来发表讨论啊。
可以参考一下拉扎维书上P272
申明:网友回复良莠不齐,仅供参考。如需专业解答,请学习本站推出的微波射频专业培训课程。
上一篇:opamp design in dual path loop filter
下一篇:一个弱智问题,关于hspice的电流打印

