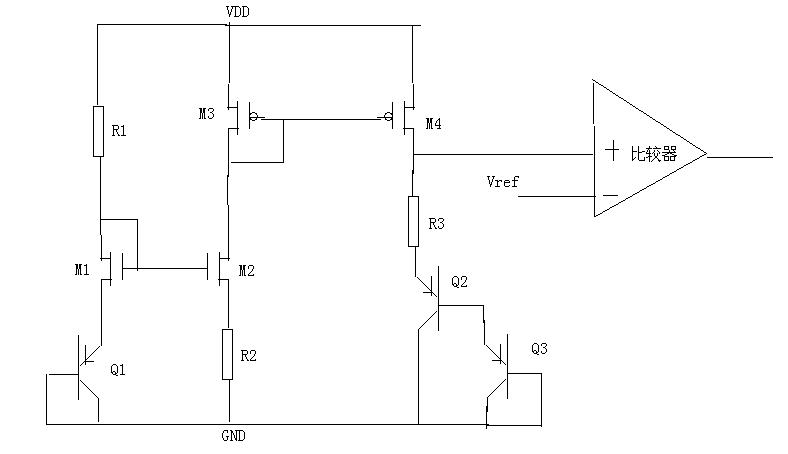
大家帮忙看看这个电路

应该是检测温度的吧,假设M3,M4能够严格镜像电流的话,流过M3的电流约为Vpn/R2;再假设R3/R2=K的话,比较器正向输入端电压为(Vpn/R2)*R3+2Vpn=(K+2)Vpn,那么该电压只和pn结电压Vpn有关,Vpn和温度有关。
不过这个电路中M3,M4构成的电流镜不能严格镜像,使得电流镜两端电流不相等,会造成误差;流过Q1和Q2、Q3pn结的电流不相等,会造成三个pn结正向压降不一样,也会造成误差;而且Vpn和温度不成严格正比关系,这也会造成误差。
过温保护 是需要迟滞 应该不是过温
简单看 就是偏置加比较器 什么功能就看怎么用了
梧叶飘黄,流过M3的电流为什么是Vpn/R2
啥子意思哦
迟滞是可以做在比较器内部的。
话说回来,与其在这里猜测电路什么功能,还不如小编亲自出来解释一下。
我也不知道是什么电路,所以才问大家的
应该是和温度相关的电路,过温保护有点像。
天那,这是用什么画的图。
shanzhongyiliu的解释不太对啊,Vpn/R2不是M3的电流。
个人感觉有可能是温度保护,也有可能是电源电压监测。
梧叶飘黄梧叶飘黄
应该是一个精度要求不高的温度保护电路
tiandaojin,能帮忙说说电路如何工作么
天那,这是用什么画的图。梧叶飘黄梧叶飘黄
2楼解释得很辛苦了 但还是看不懂..
怎么个情况?
怎么个情况?
怎么个情况?
、、、、、、、、、、、、、上帝在呼唤我吗?
继续呼唤 !
同意这个.至于有人问的Vpn/R2.
是因为电流镜中M1,M2的源极电压相等,所以是Vpn/R2
前提当然是不考虑沟道效应等.
不太懂这个电路,但是sanzhongyiliu分析的挺有道理的。
申明:网友回复良莠不齐,仅供参考。如需专业解答,请学习本站推出的微波射频专业培训课程。
上一篇:如何仿真Bandgap的启动时间
下一篇:大家讨论一下做这行业的原因

