关于一个传统的bandgap电路
录入:edatop.com 阅读:
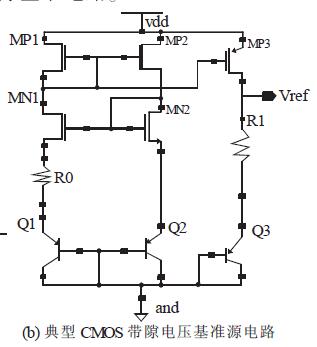
请问这个传统的bandgap需要启动电路吗?多谢。
需要。
大侠,怎么加比较方便呢?多谢。
3# qwertyIC
可能需要拉MP1/MP2的Gate,或者MN1/MN2的 Gate.
xuyao de
why not ?!
1# qwertyIC http://bbs.eetop.cn/?fromuid=161256
It's necessary
需要的。
需要 怎么加 不清楚
4楼正解
需要。
It's necessary
兄弟,RAZAVI书上都有怎么加的。..这个电路..一模一样..
上拉NMOS的GATE比较好做些,用PMOS电流反馈回来关断启动电路
随便找本书,都有
吧MP1的gate拽下来就行了
启动电路是一定要的,有简单的三管或五管启动电路貌似。
怎么加?
最好加上
真的需要
申明:网友回复良莠不齐,仅供参考。如需专业解答,请学习本站推出的微波射频专业培训课程。
上一篇:关于 模拟开关 二选一电路 设计
下一篇:DSM的相位裕度多少才算够?

