请教各位高手一个lna的bias电路的问题
录入:edatop.com 阅读:
小弟初学菜鸟一个 有很多问题不是很明白
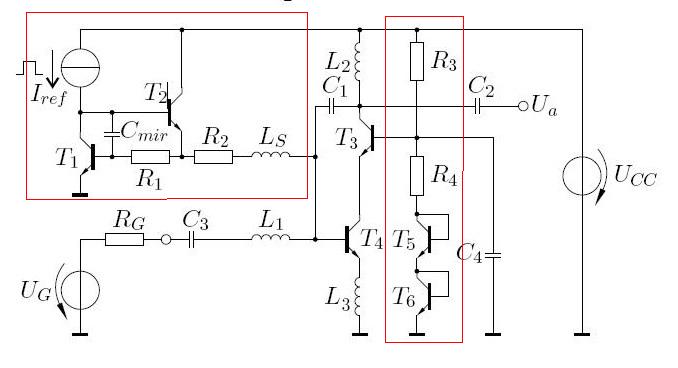
附件里的cascode低噪放大器有两个bias电路(红色框内) 左边那个是镜像电流源 右边是一个分压偏置 不知我说得对不对?
另外这个lna中使用的bias电路的优缺点是什么 多谢了先
附件里的cascode低噪放大器有两个bias电路(红色框内) 左边那个是镜像电流源 右边是一个分压偏置 不知我说得对不对?
另外这个lna中使用的bias电路的优缺点是什么 多谢了先

帮你顶一下
1.左边那个框中的偏置电路和cascode中的共射管组成镜像电流源,能精确拷贝电流,稳定LNA的直流工作点(射极电流Ic)
2.右边那个框中的偏置电路主要是给cascode中的共基电路提供偏置电压,这个电压不用是一个带隙,顾采用分压形式做偏置
一般都采用这种偏置。优点是电路简单,且偏置稳定。缺点是偏置电路用的电阻使得LNA线性度不是很高,用小的电阻又会使噪声变大。
非常感谢ls各位的回答
另外想问一下 start-up电路是由什么组成的 在电路中怎么作用
gooooood
eetop
eetopeetopeetop
确实左边是一个共射管组成的精确电流源,再进一步对电阻和晶体管的尺寸做些讨论, ic4/ic1 为期望的电流放大倍数,则ic4/ic1=belta4*R1/(belta1*R2) 两个电阻值可以用来调节电流放大倍数
学习了
申明:网友回复良莠不齐,仅供参考。如需专业解答,请学习本站推出的微波射频专业培训课程。
上一篇:产品和技术是企业的生命线(2010.09.15)
下一篇:求助 关于电阻的画法

