关于全差分折叠放大器的设计
录入:edatop.com 阅读:

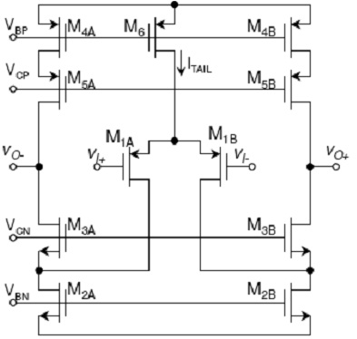
如图,请问,偏执电压能直接用电阻来偏执产生么?看了一些资料,都得用一些偏执电路,还得用CMFB
我直接在偏执处输入我计算出来的电压,结果下面4个管老是处于线性区,是我的计算问题么?求教~谢谢
Would you please put the size information and the branch current information that flows in M3A, M2A, M3B, M2B, M4A and M4B, M6A, M1A and M1B?
Normally it's the target currents do not match with the corresponding W/L that drives the devices out of saturation region.
Good luck!
感谢你的回复~
我希望Itail=100ua SR=10V/us
VDD=5V,VSS=0V,设Von=0.2 Vto=0.7,则VGS=0.9V kp=50,kn=110
故我令VBP=VDD-VGS4=4.1V
VBN=0.9V
VCN=1.1v
VCP=3.9v
用工作在饱和区电流与von关系得
(W/L)4,5,6,7=50
(W/L)3,12=100
(W/L)1,2=50
(W/L)8,10=23
(W/L)9,11,13=68
我的仿真代码如下
CCC 9 11 68/1
.OP
.options list node post
M1 3 17 2 2 PMOS W=50U L=1U
M2 4 18 2 2 PMOS W=50U L=1U
M3 2 1 7 7 PMOS W=100U L=1U
M4 16 1 7 7 PMOS W=50U L=1U
M5 15 1 7 7 PMOS W=50U L=1U
M6 5 13 16 16 PMOS W=50U L=1U
M7 6 13 15 15 PMOS W=50U L=1U
M8 5 10 3 3 NMOS W=23U L=1U
M9 3 8 0 0 NMOS W=68U L=1U
M10 6 10 4 4 NMOS W=23U L=1U
M11 4 8 0 0 NMOS W=68U L=1U
M12 1 1 7 7 PMOS W=100U L=1U
M13 8 8 0 0 NMOS W=68U L=1U
I1 1 0 100UA
I2 7 8 150UA
C1 6 0 10PF
C2 5 0 10PF
VDD 7 0 5
V13 13 0 3.9
V10 10 0 1.1
V+ 17 0 DC 5 AC 3
V- 18 0 DC 0
.AC OCT 20 1K 1000MEG
.DC V+ -5 5 .1
.probe ac vdb(out)
.model NMOS NMOS vto=0.70 uo=3190 LEVEL=1
.model PMOS PMOS vto=-0.70 u0=1550 LEVEL=1
.END
中间两队管目前只直接给了电压。最后在AVANWAVES中可以看到输出节点能得到基本符合我设计值的摆幅,0.4~4.6v
仿真得到的list文件中的管状态如下
**** mosfets
subckt
element 0:m1 0:m2 0:m3 0:m4 0:m5 0:m6
model 0:pmos 0:pmos 0:pmos 0:pmos 0:pmos 0:pmos
region Cutoff Saturati Saturati Saturati Saturati Saturati
id 0. -100.0000u -100.0000u -50.0000u -50.0000u -50.0000u
ibs 0. 0. 0. 0. 0. 0.
ibd 9.3665f 7.7326f 40.2663f 2.0670f 2.0670f 46.9744f
vgs 4.0266 -973.3738m -893.3044m -893.3044m -893.3044m -893.3044m
vds -936.6500m -773.2631m -4.0266 -206.6956m -206.6956m -4.6974
vbs 0. 0. 0. 0. 0. 0.
vth -700.0000m -700.0000m -700.0000m -700.0000m -700.0000m -700.0000m
vdsat 0. -273.3738m -193.3044m -193.3044m -193.3044m -193.3044m
vod 4.7266 -273.3738m -193.3044m -193.3044m -193.3044m -193.3044m
beta 2.6762m 2.6762m 5.3524m 2.6762m 2.6762m 2.6762m
gam eff 527.6252m 527.6252m 527.6252m 527.6252m 527.6252m 527.6252m
gm 0. 731.5991u 1.0346m 517.3187u 517.3187u 517.3187u
gds 0. 0. 0. 0. 0. 0.
gmb 0. 253.4629u 358.4506u 179.2253u 179.2253u 179.2253u
cdtot 9.085e-20 17.8013a 185.3945a 4.7584a 4.7584a 108.1402a
cgtot 17.3143f 11.8312f 24.0396f 11.9318f 11.9318f 12.0352f
cstot 48.4999a 11.5105f 23.0211f 11.5105f 11.5105f 11.5105f
cbtot 17.2657f 302.8616a 833.0970a 416.5485a 416.5485a 416.5485a
cgs 48.4999a 11.5105f 23.0211f 11.5105f 11.5105f 11.5105f
cgd 9.085e-20 17.8013a 185.3945a 4.7584a 4.7584a 108.1402a
subckt
element 0:m7 0:m8 0:m9 0:m10 0:m11 0:m12
model 0:pmos 0:nmos 0:nmos 0:nmos 0:nmos 0:pmos
region Saturati Linear Linear Linear Linear Saturati
id -50.0000u 50.0000u 50.0000u 49.9998u 150.0000u -100.0000u
ibs 0. 0. 0. 0. 0. 0.
ibd 44.1535f -591.3869a -367.2381a -1.7785f -2.0011f 8.9330f
vgs -893.3044m 1.0633 900.1260m 899.8893m 900.1260m -893.3044m
vds -4.4153 59.1387m 36.7238m 177.8462m 200.1107m -893.3044m
vbs 0. 0. 0. 0. 0. 0.
vth -700.0000m 700.0000m 700.0000m 700.0000m 700.0000m -700.0000m
vdsat -193.3044m 59.1387m 36.7238m 177.8462m 200.1107m -193.3044m
vod -193.3044m 363.2762m 200.1260m 199.8893m 200.1260m -193.3044m
beta 2.6762m 2.5336m 7.4906m 2.5336m 7.4906m 5.3524m
gam eff 527.6252m 527.6252m 527.6252m 527.6252m 527.6252m 527.6252m
gm 517.3187u 149.8321u 275.0818u 450.5860u 1.4989m 1.0346m
gds 0. 770.5541u 1.2240m 55.8479u 114.5824n 0.
gmb 179.2253u 51.9094u 95.3022u 156.1057u 519.3089u 358.4506u
cdtot 101.6460a 3.7262f 10.9101f 999.5724a 6.2652a 41.1297a
cgtot 12.0287f 8.0281f 23.9506f 6.4281f 16.2095f 23.8953f
cstot 11.5105f 4.1953f 12.4915f 5.2426f 15.6543f 23.0211f
cbtot 416.5485a 106.6379a 548.9503a 185.8742a 548.9503a 833.0970a
cgs 11.5105f 4.1953f 12.4915f 5.2426f 15.6543f 23.0211f
cgd 101.6460a 3.7262f 10.9101f 999.5724a 6.2652a 41.1297a
subckt
element 0:m13
model 0:nmos
region Saturati
id 150.0000u
ibs 0.
ibd -9.0013f
vgs 900.1260m
vds 900.1260m
vbs 0.
vth 700.0000m
vdsat 200.1260m
vod 200.1260m
beta 7.4906m
gam eff 527.6252m
gm 1.4991m
gds 0.
gmb 519.3486u
cdtot 28.1817a
cgtot 16.2315f
cstot 15.6543f
cbtot 548.9503a
cgs 15.6543f
cgd 28.1817a
9管和13管的电流没有被拉到150UA
差分放大器需要CMFB。
唉~我查阅到一些资料也都是这么说。光加偏执电压无法让所有管都正常工作么?
有没有哪位大大来指导下呢?不+CMFB就一定不行么。
申明:网友回复良莠不齐,仅供参考。如需专业解答,请学习本站推出的微波射频专业培训课程。
上一篇:急问:Hspice 的数据如何转入倒Matlab中
下一篇:Class-D求助

