请教 当电路同时包含NMOS和PMOS输入对时的增益计算
录入:edatop.com 阅读:

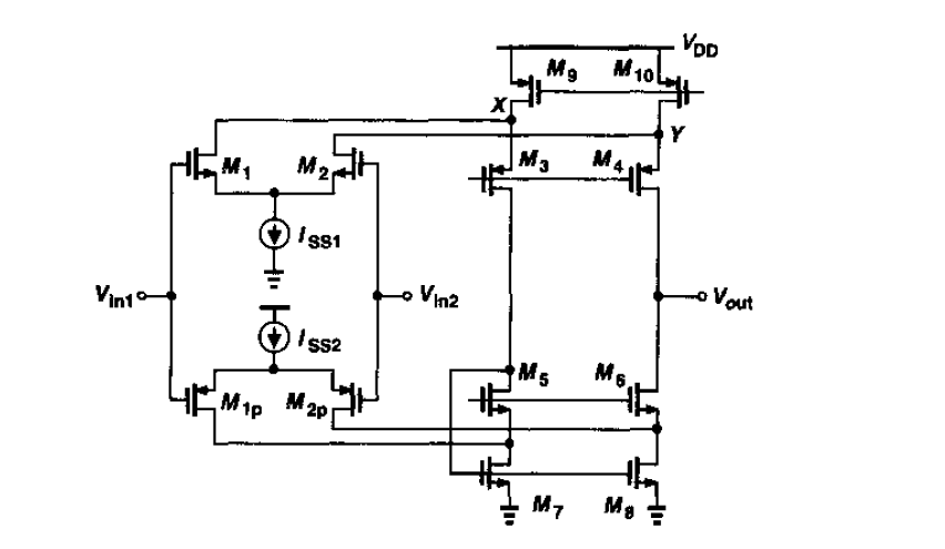
大家请看上图中的增益该如何计算?Au=?

那么当NMOS 和 PMOS对同时工作时的增益如何?
差动GM=gm1+gm1p
3楼正解
3楼对的。这种结构当输入共模电平值很小时,差动对总跨导为gmp,当输入共模电平值很大时,差动对总跨导为gmn,当两者同时工作时,差动对总跨导为gmp+gmn。所以该结构的增益和GBW会随着输入共模电平的变化而变化。若想要Gm恒定,可以在输入对管位置做些改动。我记得Sansen的书中应该有说到
3楼正解
谢谢大家
申明:网友回复良莠不齐,仅供参考。如需专业解答,请学习本站推出的微波射频专业培训课程。

