请教各位高手有关Hspice仿真曲线不规则振荡的问题
有关Hspice仿真问题请教各位高手:
电路的仿真曲线错误,且出现非常不规则的振荡,具体问题描述如下,麻烦各位高手指点一二:
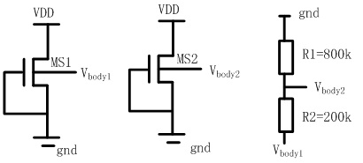
电路如下所示,是分别对两个NMOS管加不同的衬底偏压,检测他们的漏电流,两个衬底偏压也是由电阻分压得到的,成0.8倍的关系。

网表:
*.param y=0
Vd VDD! 0 1.0
V1 Body1 0 pwl 0 -2.5,150n 0
*V1 Body1 0 pwl 0 -2.5,150u 0Ms1 VDD! 0 0 BODY1 NMOS L=100n W=200nM=1000
Ms2 VDD! 0 0 BODY2 NMOS L=100n W=200nM=1000
R2 BODY2 BODY1 200k
R1 0 BODY2 800k
.tran 0.1n 150n
* .tran 0.1u 150u.probe I1(MS1) I1(MS2)
* INCLUDE FILES
.lib'D:\Lc_simulation\lib\PTM_1020\90nm.lib' tt
* END OF NETLIST
.TEMP 25.0000
.OP
.save
.OPTION post=1 opts nomod
+ PROBE=0
.END
仿真结束后得到的曲线是错误的,而且带有不规则的震荡,两个衬偏也不是0.8倍,电流完全不正确:

若将其中的线性源语句中的单位由ns改成us,即改为“V1 Body1 0 pwl 0 -2.5,150u 0”,仿真时间也相应的变为“.tran 0.1u 150u”,则仿真结果符合理想预期:

如果用直流扫描来做,其中将线性源语句改为“V1 BODY1 0 y ”,用直流从-2.5扫描到0,步长为0.01V(.dc y -2.5 0 0.01),那么得到的结果符合理想预期:

请问各位高手,是什么原因导致了这个问题呢?
如果还是想用仿真时间为150ns,步长为0.1ns做瞬态仿真,如何改进才能使曲线正确呢?(因为仿真时间是由电路的前一级决定的,不可以随意更改)
麻烦各位高手指点迷津啊……困扰我好久了……万分感谢!
M=1000, 所以寄生电容很大的,可能是这个原因。
先扫个直流看一下, 或者设一下仿真精度试试,
BTW: 搞的是什么东西,nmos的body不能随便接,是tirple well? ESD?
谢谢,有可能因为这个原因…… 我今天用spectre仿了一下,就没出现这样的问题……就不知道怎么样才能让Hspice也放出正确的曲线……谢谢高手!
谢谢高手的指教!我做的是一个衬底偏压自适应调节的电路,所以先看看随着衬底偏压变化,漏电流是怎么变的。我做dc扫描了,完全没问题,结果符合理想预期,只是一用.tran 0.1n 150n做瞬态仿真就不对了……期待高手指点。
很好的资源啊
建议你不要搞这样的飞机, 做在psub上的nmos body不可调,就是整个芯片的地
要试也只能拿pmos试,而且body电压最多只有0.6V的调节范围
见到有人在0.5V/0.6V的电源电压下搞这个体电压偏置,
你是在学校里搞,感觉方向不对
申明:网友回复良莠不齐,仅供参考。如需专业解答,请学习本站推出的微波射频专业培训课程。
上一篇:测相位裕度时一定要看0dB那点么?
下一篇:pss+pnoise仿真后noise summary中是AM噪声还是相位噪声?

