这个电路是实现什么功能?
录入:edatop.com 阅读:

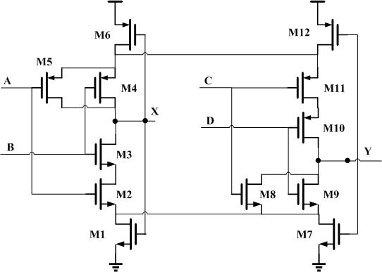
RT,看似是一个或非门和一个与非门,但是两级的输出都与上一次状态有关,同时还可以保持上一次的输出,大家能否帮我研究研究
没人会吗还是太简单了大家都不屑于回答.....
X点在为0时介于0到Vth,为1时也介于VDD-Vth到VDD,此电路不是状态记忆,而是让输出不是低阻节点。
我觉得像是一个latch
把AB=R,C+D=S
看看。
看看了
申明:网友回复良莠不齐,仅供参考。如需专业解答,请学习本站推出的微波射频专业培训课程。

