请教,LDO设计中,调整管栅极电压怎样可以降低?
实在是搞不懂了
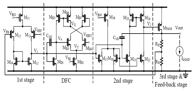
Could you show your schematic?

谢谢啦 你真热心
Why did you use common-source at your 3rd-stage?
这时候有负载吗,加上负载这点电压就下来了,--假设你的电路正常工作的话。
why not?
Yes, we could certainly use common-source at the output stage.
I just wondered why did you use a high impedance output stage to drive a current load.
I assume the current load is low impedance.
Am I right?
Thanks!
Unfortunately, you are wrong.
since it is a closed loop, the output impedance is low at the output, at least at low frequency. So, it can work as a voltage source to drive a low impedance. Thanks!
你指直流电压吧.
1.拓扑上改的话就加个源跟随器,MOS管压降太多的话,可以用BJT,如果工艺有的话.
2.直接改的话你看看你V2和M23漏极的电压,你那个电流镜如果基本成立的话电压应该差不多,那么V2出应该比电源低一个Vgs,开启MPASS应该可以的.减少MP23,MP24的W/L,或者增大M21,M22的W/L可能会拉低V2的直流电压;调整M21或者M22的输入直流电压也能调整V2.不过这都会影响你的交流性能.当然,你必须保证你的V2有个调整范围,不然MPASS的电流输出能力有限.
3.电流源负载的电阻?负载电流大当然电阻就小,反之,亦然..
加油啊
围观。
我是指V2电压一直很高,降不下来啊
第三级,是LDO调整管
我试试看,你说得很有道理
我都试了啊 修改第一级的参数,修改第二级的参数 可是第一级的输出直流电压和调整管栅极处的直流电压纹丝不动
DFC电路的作用?
频率补偿
先检查一下各个mos管的直流工作点对不对,有没有正常工作。另外,把电流源负载改成相应的电阻做负载试试。
学习中。
LUGUO
学习中,谢谢高手
DFC 做频率补偿
高手能否解释下? 学习中
申明:网友回复良莠不齐,仅供参考。如需专业解答,请学习本站推出的微波射频专业培训课程。

