此图的Rout是否有误?
录入:edatop.com 阅读:

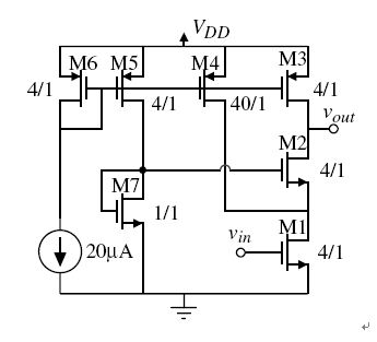
ALLEN书中的一个电路,给出的负载Rout=
rds3||gm2rds2rds1
但是我觉得M4不是与M1并联着的么?我觉得应该是
rds3||gm2rds2(rds1||rds4)
求证~谢谢
顶上去
不得不说你是对的,不过是典型的对自己不自信的表现,呵呵
又不是很复杂的结构,一眼就能看出结果来
不过结果都差不多的,最终都约等于rds3
THX~不自信是因为和同学有争论.果然没错啊。呵呵
通常rds1会较小于rds4,所以allen就直接把rds4忽略了。
其实这样做也是符合实际的。
你是对的
但是最后约等于rds3
你是对的啊
你是对的
学习了
算voltage gain的吧?等效方法只是一种简化算法,方法N多种,既然你这样等效Vout,那么别忘了Gm也要等效一下
申明:网友回复良莠不齐,仅供参考。如需专业解答,请学习本站推出的微波射频专业培训课程。
上一篇:求一个灯管的hspice模型
下一篇:关于LDO的低频共轭极点

