关于单端输出的Folded cascode 放大器设计问题 求指点
录入:edatop.com 阅读:


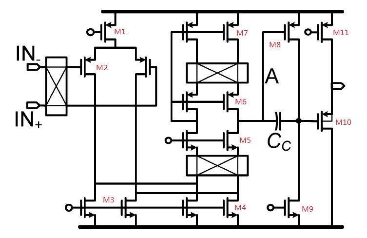
有几个问题想请教,
1.如何确定CL和Cc? 是不是10pf串联1nF? 假如CL直接连在最后一级current buffer上 那么图示中的Cc的值是根据0.22CL确定么?
2.假如CL接在最后一级的current buffer上 那补偿电容应该放在图上所表示的位置么 还是要在放在第2级和current buffer之间
3.像这种单端输出的Folded cascode结构和差分输出的那种增益的计算公式是一样的么? 可不可以按对称劈开然后按gm*Rout算增益呢?
4. 不太明白M3, M4这2对管的意义, 一般情况M3是没有的 直接连在M4的D端, 这里为什么要再加一对M3呢? 有什么作用?
问题有点多 请各位大神指点一下! 多谢!
自己顶一个..
来人啊
也想知道啊
有几个问题想请教,
1.如何确定CL和Cc? 是不是10pf串联1nF?
==>不是,基本上就是10pF
假如CL直接连在最后一级current buffer上 那么图示中的Cc的值是根据0.22CL确定么?
==>不知道,要看设计。为什么是0.22呢?
2.假如CL接在最后一级的current buffer上 那补偿电容应该放在图上所表示的位置么 还是要在放在第2级和current buffer之间
==>像现在这样比较好
3.像这种单端输出的Folded cascode结构和差分输出的那种增益的计算公式是一样的么? 可不可以按对称劈开然后按gm*Rout算增益呢?
==>差不多,书上都有写。
4. 不太明白M3, M4这2对管的意义, 一般情况M3是没有的 直接连在M4的D端, 这里为什么要再加一对M3呢? 有什么作用?
==>其实是同一个管子,source, drain,gate都连在了一起,这样画比较好看。
Good answer
good answer
保持队形
Good answer
申明:网友回复良莠不齐,仅供参考。如需专业解答,请学习本站推出的微波射频专业培训课程。
上一篇:关于两级放大器的摆率问题,困惑
下一篇:比较器offset

