关于仿真低压带隙基准中出现的问题,求教
录入:edatop.com 阅读:
今天仿真一低压(vdd1.2v)bandgap reference,温度扫描-40——25度,结果出现在大于100摄氏度时曲线严重偏离,上升。这是什么原因。不得其解啊。赐教,在-40——85度之间PPM在30以下,还是不错的额。


这个不用管,我也遇到过,问一个工程师他说应该是模型问题。不影响的。
看看是不是有些body diode leakage过大
那个error amplifier还正常工作吗?可能loop gain很低了吧
第二级这么接,没多少gain了吧,补偿意义不大了我觉得
这个曲线不对,还是仔细查查的好,别说不清了就往模型上推。
先查工作点,遇到和熟知的理论公式相悖的才往模型上去考虑
先看在高温时的工作点确定反馈环路状态是否正常。
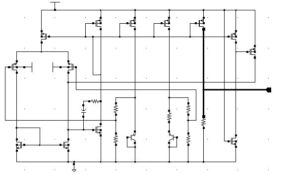
我是新手 想请教下电路图最右边的三个管子是用来做什么用的?
启动电路
比较同意这个观点
我最近涉及到一个1V的比较器,采用小编这样的二级放大的时候,第二级输入管很难工作在饱和区
现在第二级也是采用P型输入
申明:网友回复良莠不齐,仅供参考。如需专业解答,请学习本站推出的微波射频专业培训课程。

