求指导 宽带VCO 开关电容阵列 不能正常工作。
录入:edatop.com 阅读:

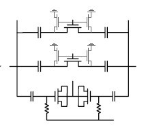
本人初次设计VCO,采用了如上的这种开关电容阵列,仿真的时候不论开关是否打开,输出的频率不变,初步分析是开关并没有正常工作,开关电容阵列并没有加入到LC tank中。不知道为何,是结构问题吗?有谁使用这种结构的,小弟求指导 。
...如果是switch不工作,你看看operating Poin不就知道问题在那里了
多谢了找到问题了,是开关管的尺寸太小,等效阻抗太大,问题已解决
我把开关管设置成 200*(500n/180n),这样的尺寸是不是太大了。
申明:网友回复良莠不齐,仅供参考。如需专业解答,请学习本站推出的微波射频专业培训课程。

