用Laker Stream In GDS, 发现奇怪问题!快爆炸了!
录入:edatop.com 阅读:
用Laker Stream In一个stdcell library,open cell时发现一个奇怪的问题, 描述如下
图一、选择一个名为 ADDFHX1的cell(这个cell 在top cell被例化)

图二、 打开看layout,却什么都没有!只有一个frame 显示名为 “addfh_1xawwicwwwwjhf4wuy” (名字超级长!)

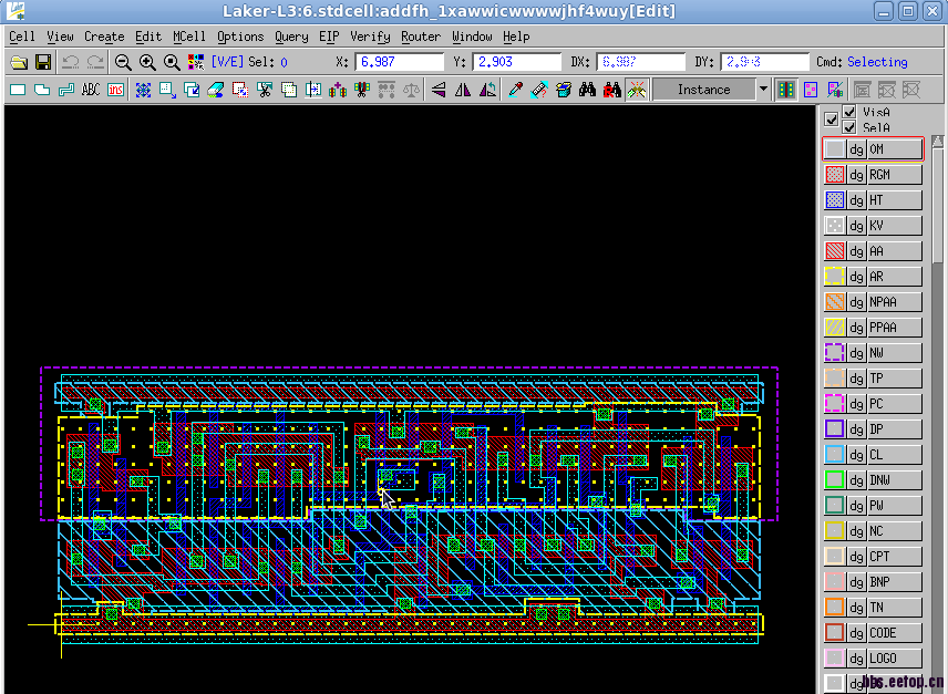
图三、 在列表中竟然有这个名字超级长的cell “addfh_1xawwicwwwwjhf4wuy”

图四、 打开这个cell“addfh_1xawwicwwwwjhf4wuy”, 看layout, 竟然有layout!

请大大看看,这是怎么回事啊?其他所有cell皆如此: 名字正常的cell没有layout, 反而奇怪名字的cell有layout!
这个很正常,问题是啥?
呵呵,问题第一,原cell的layout为啥看不到。 第二、我是希望看原cell的layout而非那个instance(名字超级长那个)的layout, 因为是我在其他layout里用原cell例化的。
申明:网友回复良莠不齐,仅供参考。如需专业解答,请学习本站推出的微波射频专业培训课程。

