关于普通两级运放的稳定问题
录入:edatop.com 阅读:
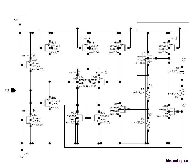
大家好,麻烦大家帮我看下我的这个两级运放出现震荡问题在哪?
电流源m=1时电流为1uA.由于我的仿真model不准,所以只能通过手动计算来分析。
我现在的想法是由于M15的gm相对于M28的gm小的不够,导致零点小于单位增益点,从而造成不稳定。
不知道这样的想法对不对,谢谢大家指点。
电流源m=1时电流为1uA.由于我的仿真model不准,所以只能通过手动计算来分析。
我现在的想法是由于M15的gm相对于M28的gm小的不够,导致零点小于单位增益点,从而造成不稳定。
不知道这样的想法对不对,谢谢大家指点。
如果M15的gm相对于M28的gm小的不够,那你改一下试一试看
稍微看了一下,两个gm值应该还好
不妨改Miller 补偿的电阻,试一试
这个电路是做什么用的啊?
jluhzw # 你好,我这个是已经出了样片的其中一部分电路,现在又震荡情况。
你说的改米勒电阻,改大电阻让零点进入左平面,应该是可以提高相位裕度。
仿真肯定是可以通过的,但model不准,所有还请你们帮我看看,真正的原因在哪里?是什么导致震荡的。
谢谢
PM不够
chenxiaoming # 你好,如果我把调零电阻增大到使零点转移到左平面,此时的PM大于90度,对我的系统响应速度会有多大的影响,或者我通过增大M15和M28的gm来让M28增益远大于gm1,应该也能增加PM吧。
Thank you.
申明:网友回复良莠不齐,仅供参考。如需专业解答,请学习本站推出的微波射频专业培训课程。
上一篇:关于输入电阻对运放增益的影响
下一篇:About the translated version of Analog Design Essential

