有关高速二分频电路的问题
录入:edatop.com 阅读:
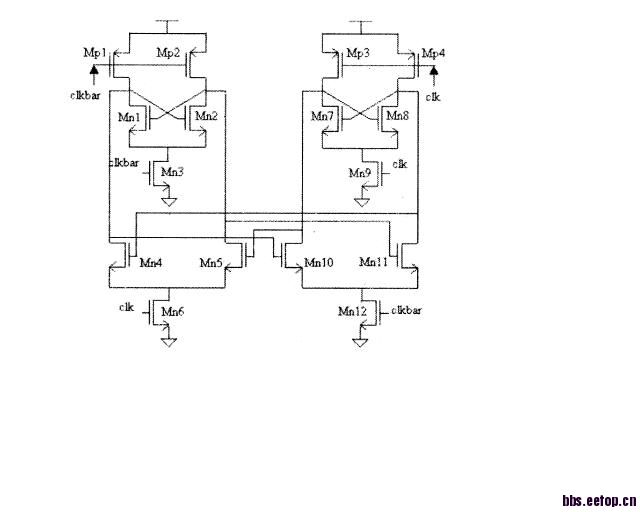
请问有没有人做过高速二分频电路,采用的是附件的这种结构。我在设计的时候是可以正常的分频,可是输出的波形(见附件),直流工作点和真正的正弦波offset不一样,不知道这种问题大不大。
希望知道的人可以帮帮我~谢谢
希望知道的人可以帮帮我~谢谢


申明:网友回复良莠不齐,仅供参考。如需专业解答,请学习本站推出的微波射频专业培训课程。
上一篇:verilogA 求助
下一篇:pipelineADC dnl inl 的问题

