进行全差分放大器瞬态仿真,哪一种方法正确?
录入:edatop.com 阅读:
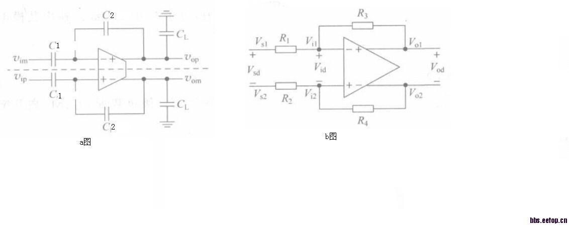
向大家请教一个问题,我现在在做10bits100Mps的PIpelineADC,需要对差分放大器进行瞬态仿真。从我接触的资料来看,通常大家有两种方法进行差分放大器进行瞬态仿真,如图中的a图和b图所示。
请问大家,a图和b图中的测试方法哪种正确?进行仿真时,里面的R1~R4应该是多大的值?里面的C1和C2应该是多大的值?
顺便说一下,我的放大器输出电阻有1K,负载电容是3.6p。
谢谢大家帮忙!亟盼回复。

个人的想法,欢迎大牛指正。瞬态的话,第一个貌似正确,瞬态仿真不把实际的等效电容加上去还怎么仿呢?
单就方法来说,两个都正确,具体用哪个要看你实际电路了,要让仿真和你实际电路工作的状态一样,不然意义不大
电容的数值有换算公式的,讲积分电路的书应该有
自己顶一下。
如果放大器应用到每级1.5bit的PipelineADC中,瞬态测试电路应该是什么样子的?
既然是ADC,瞬态当然是a来仿真
尽量用实际电路仿真,你这两个都不对。精确乘2电路仿真才对。
对呀,用实际电路
申明:网友回复良莠不齐,仅供参考。如需专业解答,请学习本站推出的微波射频专业培训课程。
上一篇:跪求PLL各种jitter的明确定义
下一篇:我做了一个SAR结构ADC其中需要有参考电压产生器,请问我该怎么做

