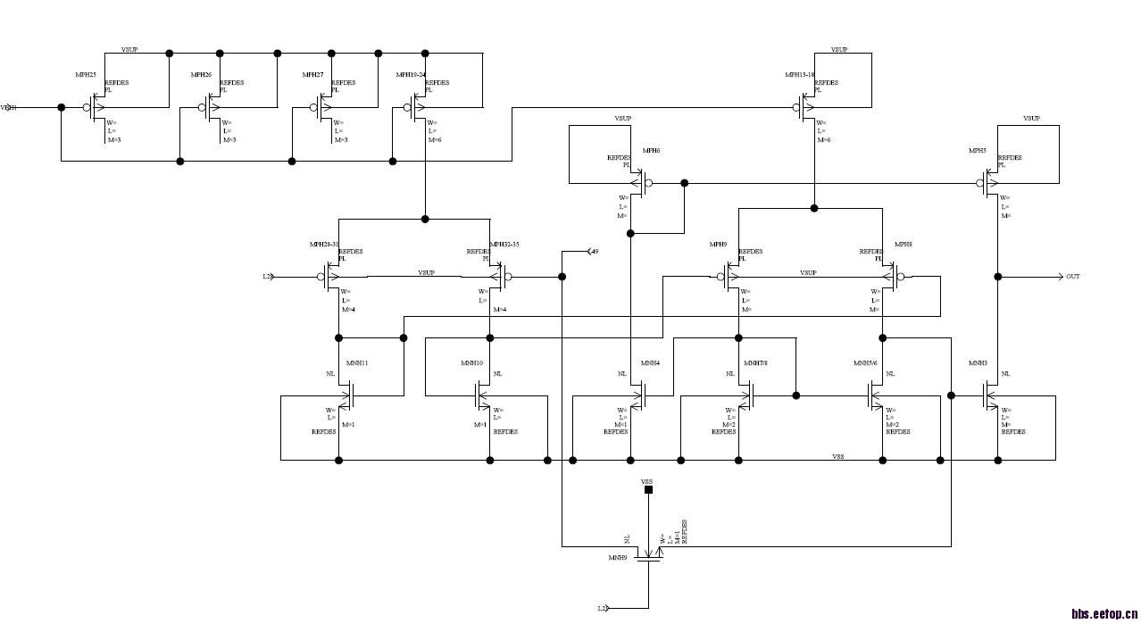
请问这个电路是什么功能
录入:edatop.com 阅读:
从一个设计报告中看到的,

请大神指点下 输入输出的信号线还没找到功能。

请大神指点下 输入输出的信号线还没找到功能。
太模糊,看不清楚,不过有点像比较器
可以点击图片放大的
3级运放吧,输入在最左边,输出在右边,清楚写着out。
应该算是两级运放吧,只是不知最下边的开关管起什么作用。
比较器?看不太清细节
应该是比较器,运放的话应该有补偿,不过结构很怪,特性什么的要看具体应用了
下面的开关闭合是一个闭环结构
开关打开是一个比较器
带pre-amp的比较器
申明:网友回复良莠不齐,仅供参考。如需专业解答,请学习本站推出的微波射频专业培训课程。

