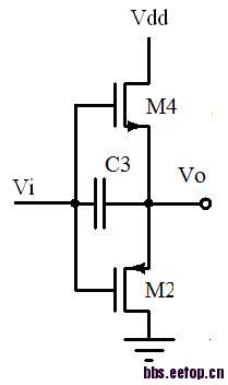
請問此電路可以當output stage?
录入:edatop.com 阅读:
請位各位先進,
此種設計有無特定的專有名詞,
本人想了解此種設計可以運用在輸出級?
請問有無相當的研究說明,可否方便告訴我,謝謝.
此種設計有無特定的專有名詞,
本人想了解此種設計可以運用在輸出級?
請問有無相當的研究說明,可否方便告訴我,謝謝.

圖繪的有問題
此圖沒有畫錯!
使用ADS可以執行,
此電路與CMOS INVERETR同時皆設計為OUTPUT STAGE時,
此種方式可以降低總功率消耗2~3mW,
因找不到類似說明與解釋,
所以想再這兒,請教各位先進
不就是一个source follower吗?
你的这个输出级是用在哪啊?输出与输入加入电容,你的高频信号怎么办?这个馈通会很严重啊!实在想不出有什么优点?请哪位大侠解释一下。
刚才没看清楚,以为是反相器接法,对于你这个电路,做输出级有一个严重的问题,输出摆幅会受限很大的。
左半邊的電路是VCO
申明:网友回复良莠不齐,仅供参考。如需专业解答,请学习本站推出的微波射频专业培训课程。
上一篇:who has verilog code of delta-sigma modulation ?
下一篇:hspice求教~!

