B被乘电流源
录入:edatop.com 阅读:
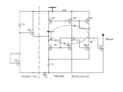
在设计OP中,我使用如下图所示的B被乘电流源。单个模块仿真时(DC Tran)显示这个模块可以很好的工作,但我把这个模块运用到SCOP中时,发现其无法工作,这是为什么呢?有人碰到过吗?如何解释这个现象!
先行谢过!

无法工作时什么意思?
感觉启动电路会出现问题吧,当M2的栅高于0,低于Vg(M3)-Vth,电路就无法启动,不知是不是你电路的情况
恩,谢谢您的关注
确实是不能启动。我尝试过给关键节点(如M3的栅=1V)设置初始值,在开关电容电路中会被衰减到不能工作(如M3的栅=0V).
这是为什么呢?
仔细设计启动电路吧
你的设计有些问题!
所谓启动,就是不能影响正常工作啊
申明:网友回复良莠不齐,仅供参考。如需专业解答,请学习本站推出的微波射频专业培训课程。
上一篇:请教个AvanWave的问题
下一篇:救命!PVT模拟到快疯了

