请教ACTIVE GAIN BOOSTING TECHNIQUE
录入:edatop.com 阅读:
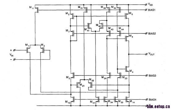
最近在仿一个a single output folded active cascode opamp,但是两条支路出现很大的mismatch,造成output voltage要么太大,要么太小,管子总处在linear region,很难调
不知道各位大侠有没有碰到这样的情况,或许还是gain boosting technique并不适合应用于single output opamp呢
谢了把电路图补上
Operating Point不对吧
Single stage中应该可以用gain boosting
这种运放一定要闭环仿,开环仿增益太高一点点mismatch就打偏掉,工作点肯定不对。
上面正解!仿真设置问题!建议合理设置仿真激励!
谢了,开环我调好了,在一个DC点下让所有管子都饱和
但是闭环情况下,发现ICMR过小,基本上用不了
active cascode用在single output情况下,mismatch太大了
申明:网友回复良莠不齐,仅供参考。如需专业解答,请学习本站推出的微波射频专业培训课程。

