关于差分环形振荡器的delay cell的延时时间分析
录入:edatop.com 阅读:
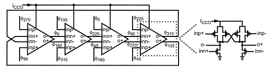
像上面这种差分耦合结构的延时单元的Td怎么分析?小信号分析和大信号分析分别是怎么样的?我把它接成4级的形式,似乎怎么调都不能使它的振荡频率上升到1.3G。大家能帮我分析下吗。用的是0.18的工艺这种结构是一种多通道的延时单元,不仅接收前一级的输入 还接收前前级的收入。 如下图,是一个伊朗女博士的论文里提到的

这个电路做出它远比分析它容易太多了,您只需要增加其电流就可以做到了
做出来是比较容易,但在低功耗下想做2Ghz左右就不容易了,所以想问下怎么分析
我也打算做这个,也是用.18工艺,做3Ghz的环形振荡器,用于TD SCDMA,正在找资料,谁有相关资料发起哦一份。
小编能不能把论文资料 发给我看一下啊
上面pmos看起來是latch+reset
这种延迟单元好吗?
申明:网友回复良莠不齐,仅供参考。如需专业解答,请学习本站推出的微波射频专业培训课程。

