求助:关于电流镜共栅管偏置的问题

各位:
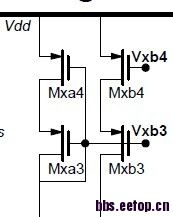
请教下,如图中,Mxa3的栅极给共源共栅电流镜的共栅管 Mxb3提供栅压,那Mxa4的引入是什么原因,有什么好处了?
谢谢关注的人
为了matching,最好是用multi finger而不要用一个管子。另外也是为了layout的和谐美观。2个管子这么stack相当于是一个W/2L的管子(假设2个管子都是W/L),如果2L相较W太大,就拆开。这个和设置m或nf是一个道理。
引入Mxb4之后, Mxb3的Vth和Mxa3的Vth就更接近了。这样的话两边的匹配性就更好了.
这个显然不是current mirror吧
不靠谱。
这个显然是电流镜,在Razavi上面讲电流镜的一章里面有提到。
xuexile
匹配!版图和阈值电压等等。
看起來只是用多個mos取代long channel length device
只是不想L太大 這樣layout不好lay
这并不是一个电流镜,maxa3和maxa4是用来为maxb3提供偏置的。 详细的说明请参考格雷英文版P273
这不是电流镜,只是用来提供偏置的
和周边的人讨论下了,Mxa3主要是为了提供共栅管的栅压,razavi上给出了这个栅压的范围(P120页),如果是matching,那么:
1.是电路matching吗?有没有什么理论性的推导了?
2.只是版图matching吗?为了让版图更好设计?
谢谢
哦,是的,但如果Mxa3管的作用是给Mxb3提供一个偏压,那Mxa3管与Mxb3管阈值匹配有什么好处了?不匹配又有什么坏处了?
仅仅是版图上的方便吗?
理论上,两个个w/l的mos管串联等效宽长比并不是2w/l ,这样不是反而给设计带来麻烦吗?
匹配,阈值,版图,是会在这些方面带来影响吗?
可以再详细解释下吗?
给个完整点的电路图不就一清二楚了
我是这么理解的,也不知道对不对。加了那个管子之后,下面的两个管子的源衬电压是一样的,所以阈值电压一样。如果左边因为什么原因电流有微小的变化,那么那个偏置电压也发生一个变化,这个偏置电压的变化是和左边下面那个管子的阈值电压相关的,因为右边下面的那个管子和左边下面的那个管子的阈值电压相同,所以右边之路的电流也发生同样的变化,而不是不同步的变化。其实在电路中,特别是模拟电路中,你会发现很多是靠电流匹配或镜像来完成的,它的绝对大小变化一点没关系,但是相对大小很好。还有就是版图上会更好对称,你自己也能看出吧,这点。我的愚见,见笑了!
Max3只是给Mbx3提供偏置,而Max4可能是为了避免偏置点提供不准而预留的管子,一般Max3的L可能是Max4的4-5倍或者更大一点。假如该偏置点过低,那么就通过割线的方式,把Max4移除,即减小整个偏置管的L,那么使偏置点的电压升高。
完全同意bias这一说法,如果右边两个mos是最终要作为current mirror的reference(也就是上面那个管结到下面管的Drain段),那么matching一说还是成立的,不然的话matching没多大意义在这里我觉得。其次我觉得就是为了美观,甚至可以拆成4,6,etc,真要说这么拆的好处,记得L小,Vth大(short channel比较明显),这样同样的电流就需要更大的overdrive。反省我自己有必要refresh一下。
谢谢大家了,到目前为止,我把大家的观点总结一下,看理解得对不对,
1、Max3、Max4的作用是为给共源共栅管提供偏执电压BIAS;
2、Max3、Max4为两个MOS管串联,忽略二级效应,可以等效为1个大L的管子;
3、Max4存在有如下原因:
(1)通过在Max3的源端引入一个电压,使Max3、Maxb3由于二级效应导致的阈值电压相对变化小,达到这两个管子更好的匹配(但仍有问题的是,Max3作为Max4的偏置管,作用可等效于一个电阻分压,Max3、Maxb3匹配有有什么好处了?)
(2)利用两个栅长为L的mos管串联近似一个栅长为2L的mos管的原理,将一个大L管(Max3)拆开,以便于版图布局;
(3)拆开成Max4后,还便于后期修调(这里有两个问题,Max3的栅长为Max4的4~5倍的原因是吧修调范围控制在20%~25%吗?还有就是Max3的栅长除了仿真,还有更利于手算的方法吗?);
(4)拆开成Max4后,由于存在二级效应,Max3的阈值电压会变大,这样反而可以一定程度减小Max3的L的大小,这可理解为两个L的mos管串联后等效栅长大于2L;
看起來只是用多個mos取代long channel length device
只是不想L太大 這樣layout不好lay
共源共栅电流镜
学习了
申明:网友回复良莠不齐,仅供参考。如需专业解答,请学习本站推出的微波射频专业培训课程。
上一篇:低噪声放大器中共源结构与共栅结构对噪声的影响
下一篇:SC_LPF如何快速建立

