为啥带隙输出是1.2v
录入:edatop.com 阅读:

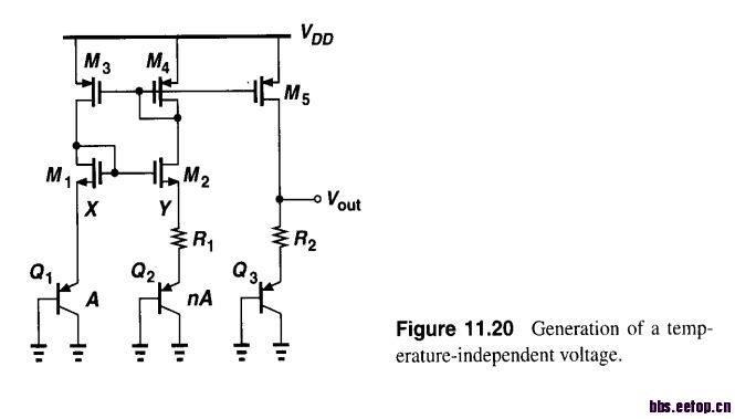
这个与温度无关的带隙,为啥大家都说他是1.2v的呢。跟电阻的阻值和电源电压木有关系吗?三极管的面积比值又是怎么设定?本人新手。
我也想知道,关于三极管在完全不懂!
如果電阻調整得當
1.2V和電源電壓無關
這個電壓會是silicon 的bandgap voltage
就是因為不會變, 才要用
參考
http://bbs.eetop.cn/thread-321038-1-1.html
硅的带隙能量为1.12eV,就是电子跃迁需要的电子伏特,这个值是固定的,上述电路就是利用了这个固定的值来得到一个固定的输出电压。
谁来回答我的问题呀http://bbs.eetop.cn/thread-321024-1-1.html
thank you。我去看看那本书。
申明:网友回复良莠不齐,仅供参考。如需专业解答,请学习本站推出的微波射频专业培训课程。
上一篇:请问这样功能的电路有哪些
下一篇:DMOS功率管的漏源间加的二极管是作什么用的?

