求助几个模拟问题(回答思考遇到过的问题即可)

2.参考时钟,上升下降时间一般应设为时钟周期的多少进行仿真合理?
3.共模反馈,只用简单的开关电容,瞬态仿真分析不影响稳定过程,可行性以及实际应用可能有什么问题?
4.如何仿真衬底噪声对电路的影响?比如电源串联多大的电感
5.感觉用razavi的公式粗略手算和仿真结果相差很多,想问一下,输入管得gm一般会有多大(噪声、带宽比较好),几毫足够吗?
1. 这可能是你用的BJT model特别不一样吧,一般1.1V~1.3V都可以接受。
2. 如果你的仿真不包含噪声,那麽上升下降时间随你设定都不影响TRANS仿真的结果。
3. 瞬态仿真无法知道还有多少margin,再加上频域的gain & phase margin仿真 才会比较安全。
4. 你的电路的PSRR仿真出来之後就知道那个频率以上的PSRR不足,这时你就可以算出在VDD串联电感值与并联电容值。
5. 输入管的gm大部分应用几毫足够,过大的gm是浪费的,达到噪声、带宽规格,优化gm设计才是你要拥有的设计功力。
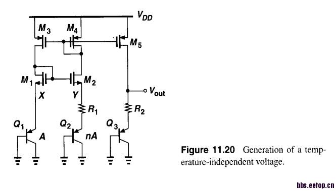
3q,问题1还是没有解决,同样的bjt,用带运放的带隙结构做出来就是11ppm,1.21v左右。用这种结构才1v左右,90ppm左右,管子工作都正常,不知道问题出在哪里
感谢2楼,受教了
这种带隙结构受沟道调制效应比较大,考虑cascode结构,观察下X与Y点的电压差多少,看是否是这个原因!
问题1:可能的话1.环路增益不够:减小电流,M1,M2的vdsat要取得小 2. 右边镜像出的电流不准:用cascade电流镜
3.ppm很大,不知道你仿真的温度范围是什么样?贴个图
问题4:你不可能准确仿真衬底噪声,因为你没有衬底模型,所有gnd都是直接接到一起,没有衬底电阻电容网络的模型,这个模型需要和工艺和版图相对应,目前都是研究阶段。
我都用BJT用1:8可以得到比较小的ppm。你可以试试看。
不要简单说这个结构怎么样那个结构怎么样。同样的结构,会做的人能做得很好,不会做的人就是一塌糊涂。
要是CADENCE的优化工具那么有用,那做硬件的人都改行做软件去了。工具只是工具,方向得对。
不管是带运放的结构,还是直接CASCODE结构,我们为什么这么做你清楚没有?看看我们带隙计算的公式,那些假设你都做好确认成立了吗?如果没有做好,那些地方没做好?做了什么努力?已经到极限了吗?
这些东西都是基本的设计思考方法。在这些方法正确应用之前,谈什么噪声,gm范围,都是好高骛远的。
申明:网友回复良莠不齐,仅供参考。如需专业解答,请学习本站推出的微波射频专业培训课程。

