关于带miller补偿的二级运放的问题

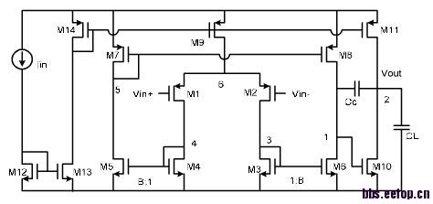
其中CL为2PF,Iin为5uA,Id11设置使其达到100uA。电源电压为正负2.5V。
但M10总是工作在线性区,无法进入饱和区。应该如何修改管子参数,使其达到50dB的增益。
电流不匹配了,把M10尺寸减小点
现在搞不清你这些电流的比例关系
同意楼上的说法,在不知道电路其他情况下,可行啊。第一级输出,你为什么不直接用一双转单电路实现呢?这样还能节省一些管子。你这么做,第一级输出级很对称啊,你有什么其他考虑吗?
看错了 M10尺寸主要是为了满足其相位裕度,和它的分压关系不大吧,而且它的尺寸也不是非常的大,这里主要为了使零点大于10GB。
Id14等于Id9等于Iin。Id11等于20Id9。
现在只是初步设计,还没有考虑其他的参数,但发现M10工作状态不对,增益非常的小。
你闭环仿真吧
用的HSPICE能直接看它的开环增益,和各个管的工作状态吧
正解。
BTW,哪里来的正负2.5V?
应该是直流工作点不对。
提供的电源电压Vdd为正2.5V Vss为负2.5V
现在主要是Vds6 电压过大导致Vgs10过大,使其一直工作在线性区。我现在能想到的办法是减小M7 M8的尺寸从而增加它俩的Vds,但它俩已经非常的小了,没有在减小的余地了。
能说的在具体些吗?谢谢
根据ID11,调整M11和M10的尺寸,使二者的Vov不至于太大。
根据电流电导公式,M10和M11分压的平方和它俩的尺寸成反比,但实际和理论相差很大啊。
从图中可以看出,平衡时1点电压为2.5v-vgs7,则M10的vgs为5v-vgs7,大概在3~4v,这个vgs过大了,M10和M11电流不匹配,导致M10进入线性区!可以尝试用直流反馈稳定静态工作点,闭环仿开环;另外建议将第二级输入管改成pmos管这样两个电流源就能够很好匹配,保证电流复制比例一直就可以得到较稳定的直流输出值!
两级的话不好调啊,还是闭环仿真吧,反正都是要用到反馈电路里的
最终将M10改成了PMOS管电路正常,而且奇怪的是Vds6也降到了合适的值(2.5V左右)远小于原来的4v。是不是在如此高的电压下,通过调节M10和M11的参数,很难使M10达到饱和?
开环情况下,平衡输入,1点电压应当和5点电压一致,即5v-vgs7,在4v左右,不知道你修改后为什么会到2.5v,在检查下输入直流电平是否一致;第二级pmos输入的话比较容易实现电流的匹配,即pmos和nmos的电流都是从一个电流源镜像获得
运放测工作状态和增益最好用闭环,你可以在闭环反馈连线上串一个1T的ind,这样运放工作状态可以近似的看做开环
注意M7的调试
可能M10栅极的DC点过高了,导致M10的Id mismatch,调低点试试
小编应该是开环仿的吧,这样直流工作点都没有确定,第二级输出很容易有一个就线性区了,18楼正解
对称的管子,宽长比应该是成比例的
18楼才是正解
We need to see the size of your ckt.
申明:网友回复良莠不齐,仅供参考。如需专业解答,请学习本站推出的微波射频专业培训课程。
上一篇:电容是什么作用?
下一篇:怎么设连接定差分放大器的输入信号

