求助 普通二级运算放大器
录入:edatop.com 阅读:
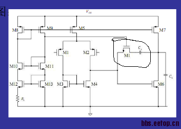
和Cc在一起的管子的作用是什么啊? 刚才看错了不是M1
工作在线性区的mos管作为调零电阻。多看拉扎维和allen
恩,现在懂了,和Cc一起构成rc密勒补偿
真够生的
申明:网友回复良莠不齐,仅供参考。如需专业解答,请学习本站推出的微波射频专业培训课程。
上一篇:Spectre不认器件的M值
下一篇:射频LNA IC小问题
和Cc在一起的管子的作用是什么啊? 刚才看错了不是M1
工作在线性区的mos管作为调零电阻。多看拉扎维和allen
恩,现在懂了,和Cc一起构成rc密勒补偿
真够生的
申明:网友回复良莠不齐,仅供参考。如需专业解答,请学习本站推出的微波射频专业培训课程。
上一篇:Spectre不认器件的M值
下一篇:射频LNA IC小问题