运放输出端等效电容多大呢?怎么处理。谢谢
录入:edatop.com 阅读:
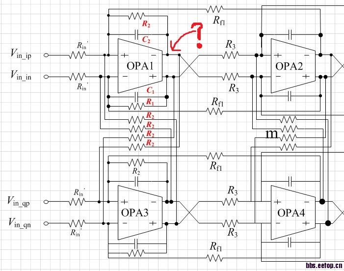
图中所有电容数值=2PF。这是五阶切比雪夫带通滤波器的部分截图。当我设计运放时,运放负载电容是按照1PF来设计的,但是构成滤波器后,阶跃响应出现了震荡,且时间持续了500us,而我的输入信号频率为2MHz左右。图中问号处电容究竟按照多少才适当呢?求指点。是否有相关论文介绍这方面知识,同求指点,谢谢。希望能彼此相互学习,给我们一些支持,信心。
看一下你的波特图?
申明:网友回复良莠不齐,仅供参考。如需专业解答,请学习本站推出的微波射频专业培训课程。

