关于利用auxiliary amp减小失调的问题
录入:edatop.com 阅读:
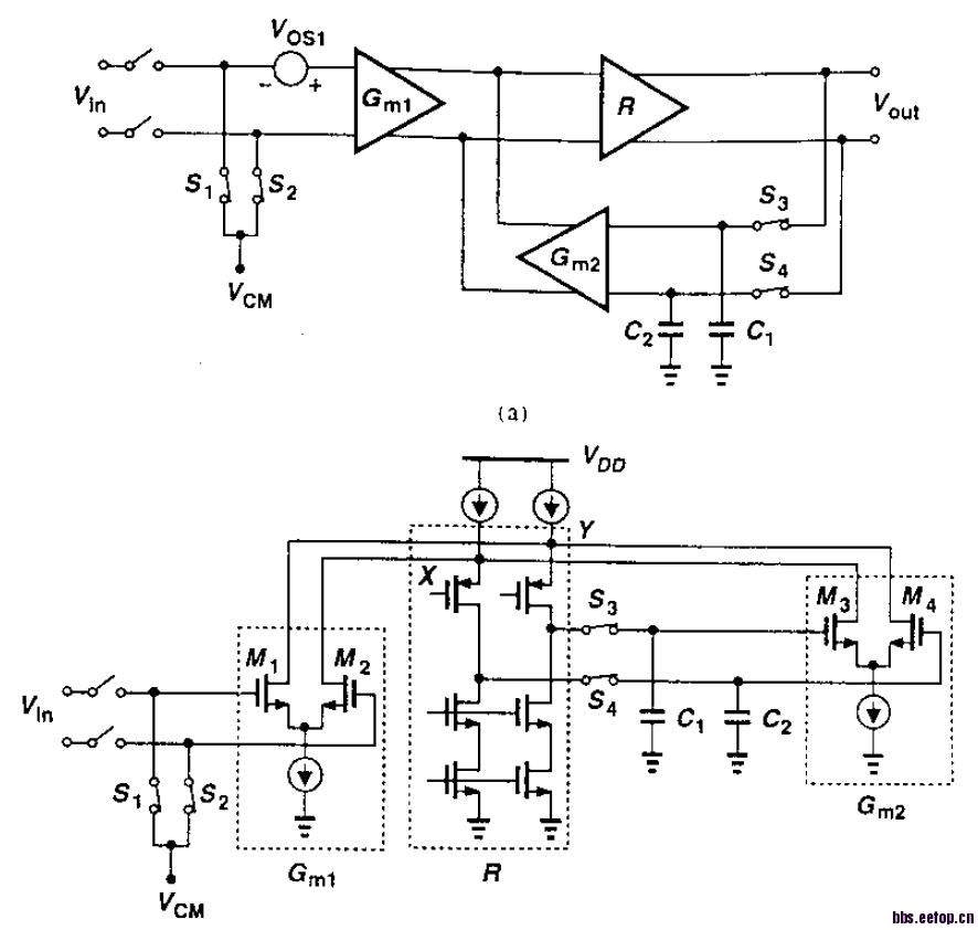
在razavi analog design 第13章,提供了一种利用auxiliary amp减小失调的方法,如下图

我觉的电路中Gm2连接到节点X,Y的线连反了,导致无法实现offset cancellation,大牛帮我分析看看吧。

我觉的电路中Gm2连接到节点X,Y的线连反了,导致无法实现offset cancellation,大牛帮我分析看看吧。
自己顶一下
那个sdm的问题解决没?
这个是symmetrical的,怎么接都一样的把
Gm2确实连反了,需要负反馈,现在正反馈了。LZ厉害啊!
申明:网友回复良莠不齐,仅供参考。如需专业解答,请学习本站推出的微波射频专业培训课程。
上一篇:chopper(斩波电路)需要偏压吗?
下一篇:关于《CMOS 电路模拟与设计--基于 Hspice》一书中的程序代码

