slewing 正负slew为啥会不一样?
录入:edatop.com 阅读:
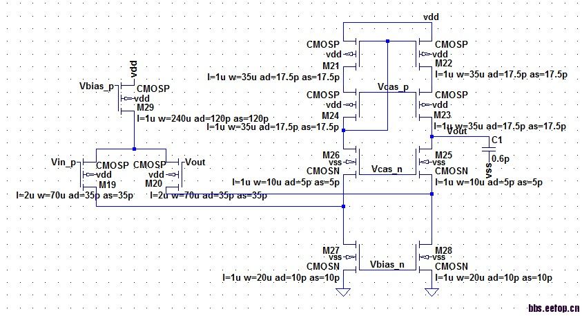
做推倒的时候没发现问题,昨天仿真的时候发现这个问题, 有没有遇到过这个问题的? 我只把折叠结构贴上来了,感觉跟偏置电路没关系。是不是有什么points我忽略了?
谢谢
谢谢
关键看你n和p的电流
是同样的差分对tail电流流过不同的泻放通路造成的,Slew上行和下行的通路流过电流的能力不同。
申明:网友回复良莠不齐,仅供参考。如需专业解答,请学习本站推出的微波射频专业培训课程。

