求指导 这种接法的mos管 有人见过吗
录入:edatop.com 阅读:
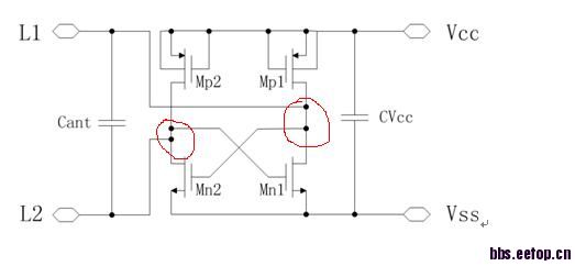
最近在做全波整流电路的时候遇到了这样一个电路。注意mp1和mp2,这两个mos管的g和b接在一起了。作者说这是mos管做二极管的接法。我想知道mos管做二极管不是把gd接在一起吗?gb接在一起是利用寄生pn节的二极管吗?这样的二极管能用吗?
当图中的点高于VCC一个阈值电压不就是二极管方式了吗

申明:网友回复良莠不齐,仅供参考。如需专业解答,请学习本站推出的微波射频专业培训课程。

