一篇环形振荡器的论文的疑惑
录入:edatop.com 阅读:

A 900-MHz CMOS Low-Phase-Noise Voltage-Controlled Ring Oscillator
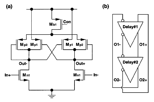
昨天看了一下上面这篇文章,里面采用了两级的结构。文中提到要想维持振荡器振荡,每个延迟单元要满足相移大于等于90度时,增益要大于1,可是每个延迟单元最大相移才90度,好像无法达到要求呀,求哪位大哥指点一下!
读一读下面这段话:
To maintain the oscillation of a ring oscillator, the total phase shift of
the delay cell chain is 180 and the overall gain is unity at the oscillation
frequency. Therefore, the transconductance gmp1 must be larger than
the total output load conductance (gmp1 > gmp2 + GL) in order to
maintain the phase shift of a delay cell equal to or more than 90 while
the voltage gain is larger than unity.
谢谢回答,可是单个延迟单元的传输函数为
根据这个公式,推导出来的相移只有在频率无穷大时为90度,莫非我推导错了?
期待高手解答
你忘了本身的负号
gmp2>gmp1+GL
错了
是gmp1>gmp2+GL,没有问题。只是功耗有点大
申明:网友回复良莠不齐,仅供参考。如需专业解答,请学习本站推出的微波射频专业培训课程。
上一篇:请教IC610安装问题
下一篇:全差分运放tran仿真时的震荡问题求教

