两输入与非门仿真
录入:edatop.com 阅读:
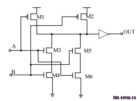
各位前辈,小弟用cadence仿真两输入与非门时,输出波形不正确。电路图如下
:
非门的输入端波形
:

为什么会出现负电压?当输入从11变到10时出现逻辑错误,为什么?最后一个,输出的最高电压大概0.74v,达不到电源电压1.8v?小弟感激不尽!
:
非门的输入端波形:

为什么会出现负电压?当输入从11变到10时出现逻辑错误,为什么?最后一个,输出的最高电压大概0.74v,达不到电源电压1.8v?小弟感激不尽!
补充一下,图中最上面的输出,下面两个输入波形。求指导!
这么简单的电路,自己检查,电源地接错没有,衬底接错没有
用dc分析,然后看看中间节点,有什么问题,就像秃子头上的虱子,明摆着的嘛
把每条net的电压plot出来,挨个点一下看一下就知道哪问题了
谢谢回复!已经解决了,原来用的RFMOS,现在换成普通MOS就没有问题了。
申明:网友回复良莠不齐,仅供参考。如需专业解答,请学习本站推出的微波射频专业培训课程。
上一篇:lc vco降低相位噪声.....
下一篇:环振测试总是三角波

