MOS衬底B极的接法讨论

可以的,没问题的,画版图时用隔离环隔离就行了,
再挖个n-well不就好了
nwell工艺,pmos是可以S,B短接的吧
都是psub的,pmos都是在nwell中,所以是可以直接接s的
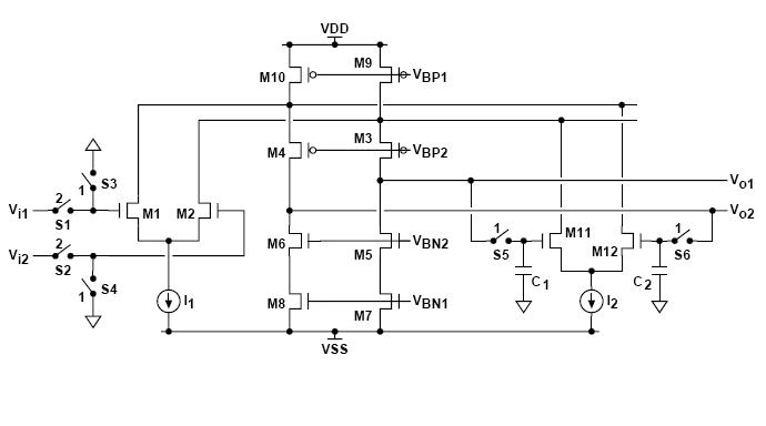
M4的衬底与上端的引脚相连接(高电位的)吧
谢谢 请问大家
问题1 现在一般的工艺是单阱(N阱)CMOS工艺吗?比如tsmc 0.18um?
问题2 M4 M10的SB都短接的话,注意显然M4的S和M10的S电压不一样,而B都是接N-WELL,请问 这时候N-WELL的电位是不是矛盾了?
因为M10使得B=N-WELL=VDD 而M6使得B=N-WELL=M4 S
u r right
nwell你可以挖多个的啊,又不是只能一个
能否问一个问题,就是关于MOS的EMI辐射问题,我们现在在200MHz附近MOS辐射非常高,请问除了加snuber还有什么好的解法吗
还有关于POWER 有什么好的资料吗?3q
help me!
挖多个管用吗?
他们都是同属N型掺杂
不知所云!
PMOS 是可以不同sub的!
NMOS 不行,除非有DEEP NWELL
单Nwell是可以做的,优其PMOS差分对用的很多,和你们电路工程师沟通下就明白了。
NMOS 的 B 不想接 VSS ,才会需要 3 井工艺。
TSMC018 有 Deep nwell ,可以做 3 井
还是不太明白,能够帮助解释一下我前面的疑问吗
版图的时候在管子一周圈一圈接触,然后用NWELL圈起来。
最近提了一个电路,发现P SUB, N WELL ,中做了NMOS的输入对管,是用了深井技术么?还是有什么其他方法?
高手指点下
不錯不錯
讓剛入門的我
了解更多了
哎!pmos。nmps的混作一谈,不知道你在说啥。
pmos单独的nwell,当然可以接。和nmos没有关系。nmos可以再deepnwell的情况下sd相接。tsmc18不是提供deepnwell吗?
大家的意思是在电路设计里面不管是NMOS还是PMOS他们自身的S B极都可以各自接在一起。那这样就不存在背栅效应了? 这样不行吧
但是以前学教材的时候,书上说:
MOS集成电路都做在同一衬底上,由于公共衬底,不能把所有的MOS的S都和B接在一起,否则他们的源将通过衬底相互短接了!
所以 NMOS的衬底全部接最低电位GND,所有PMOS衬底全部接最高电位VDD!(这样Vbs是不一定等于0了,有一定的背栅效应,有时候还较大)
我想问的是:
设计中是不是应该这样-----------------------------------
所有NMOS的衬底全部接最低电位GND,
所有PMOS衬底全部接最高电位VDD !
help me thanks a lot
楼上的楼上和楼上的楼上的楼上说的很有道理。
41
help
help
不知道小编在说什么,我只知道一种高压NMOS管,衬底做在BP里,电位是可以随意接。普通NMOS管衬底就是PSUB,跟GND远近没啥关系吧
怎么大家不理解我说的啊?
我想问的就是TSMC0.18UM工艺下 在电路仿真和layout的时候B极的接法问题?
NMOS的B极一定要接GND(VSS)还可以接它本身的S极(特别是在串接的cascode中)?
另外 一般我们在1.8V TSMC 0.18UM下面选用nmos2v这种管子来仿真。如果nmos的B级可以接S极,是不是一般要选择nmos2vdnw这种管子来仿真和layout。
要tri-well工艺才行
申明:网友回复良莠不齐,仅供参考。如需专业解答,请学习本站推出的微波射频专业培训课程。

