问 拉扎维书上的启动电路
问 这个启动电路时如何工作的?如何保证电路工作后Vx<Vth?
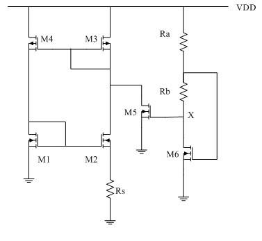
开始的时候,M3,M4提供的电流分别流进M1,M2,M5与M6是off,X点的电压=M6的Gate的电压=Vdd,如果x升高,那么M6的gate电压下降,这个时候Ra中有电流流过,这样的话X点的电压要下降,若小于Vth,则M5就off。
假设Vx=Vth,可以得出(Vdd-Vth)/(Ra+Rb)=1/2K'[Vdd-(Vdd-Vth)Ra/(Ra+Rb)-Vth]^2
楼上有理
2楼说的不对,左边1234mos管是改进型威尔逊电流镜是被启动的电路,右边的56和电阻才是启动电路。在一瞬间(假设是t=0-S时)5,6是同时开启的。3就和5形成回路,以次导致电流镜(1.2.3.4)开启。当t=0+s时Vx电位从vdd降到Vx=VDD-Id6*(Ra+Rb).使Vx<Vth5就是这题的答案。
另外无启动电路的话电流镜一样会启动。只是start time 无法满足SPC要求。一般设计的时候都会加上启动电路。
学习了
其实图上所示的M5管子是关键,在拉杂为相关章节中的习题2好像有专门的描述
4# 楼上正解!很过电路是有2个甚至多个稳定工作点的!启动电路是将电路工作在你所期望的工作点上
学习了。
学习了
七楼正解,不加启动电路,片子出来就看你运气了,说不定,电源一哆嗦,正常启动了,
四楼分析的很好
正解!
求问!
,xuexi
开始上电工作时,M1~M6全部都是off的,随着VDD的升高,M6流过一定的小电流,此时M6的gate电压和M5的gate电压很接近,M6和M5均出现on的状态,M5的导通拉动M3和M4的导通,主电路启动进入正常工作,继续增加VDD,M6进入线性区,M5的gate变小,M5被off,完成电路的启动过程。
以前要是给我看这个图,我肯定一点也看不懂。虽然这个没有看出来左边部分是被启动的,但是右边的那一段倒是看出来它们的作用了。新手就是不容易,幸亏你问了这个问题,要不然我等就要2了
一同学习! 书上的电路一般比较靠谱
学习了
申明:网友回复良莠不齐,仅供参考。如需专业解答,请学习本站推出的微波射频专业培训课程。
发表于 2010-11-12 12:05 | 只看该作者
2楼说的不对,左边1234mos管是改进型威尔逊电流镜是被启动的电路,右边的56和电阻才是启动电路。在一瞬间(假设是t=0-S时)5,6是同时开启的。3就和5形成回路,以次导致电流镜(1.2.3.4)开启。当t=0+s时Vx电位从vdd降到Vx=VDD-Id6*(Ra+Rb).使Vx<Vth5就是这题的答案。
另外无启动电路的话电流镜一样会启动。只是start time 无法满足SPC要求。一般设计的时候都会加上启动电路。
四楼对于电路启动的过程解释是对的。但是后面的说法我认为是错误的:因为简并点的存在,在实际电路中,如果没有启动电路,改进型威尔逊电流镜不一定能够自启动。启动电路不一定只是为了只是满足SPC对于start time 要求
正解
我也这么理解的。

