求拉扎维PLL中低通滤波截止频率计算方法。
录入:edatop.com 阅读:
在只是接有一个电容的情况下,等效电阻是不是对下一级VCO的输入阻抗和上一级PFD的输出阻抗的并联呀,然后用基本公式计算值。
补充:这样子的话,电阻是不能改的了,是不是只有通过调节那个和地连接的Cp来调节上限截止频率呢。有没有必要用复杂电路构成带通呢?
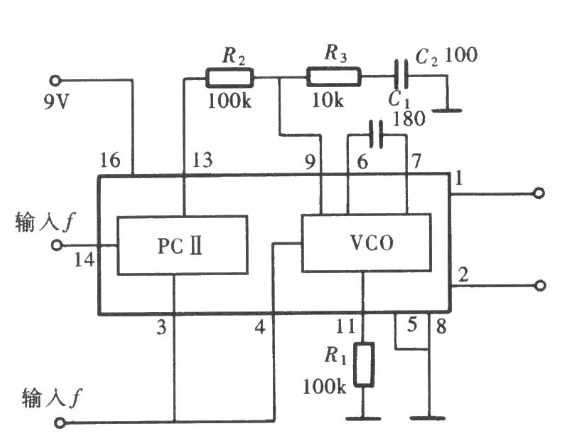
如图,如何求解R2 R3 C2滤波器的截止频率呢?不会只用这三个元件的值吧?另外,今天听老师说,参考信号可以包含噪声,锁相的时候只是以混合信号(即叠加了噪声的参考信号)的中心频率为目标,VCO进行向此频率靠拢的。但是我很纳闷,VCO怎么就只是锁定带噪声信号的有用信号频率,而不会锁定噪声中的某一个频率分量呢?虽然噪声没有固定的频率,但是其实质不是有各种频率正弦信号叠加而成的吗?如此对于某一固定频率,噪声的分量不也是确定的吗?
拉扎维的书上只说了方波作为参考信号且频率单一的情况,对于输入(参考信号)为正弦波的情况,就算不含噪声,那么VCO输出的正弦波呢还是方波脉冲呢?老师说是高低电平。是不是所有PLL稳定状态下输出都是高低电平呢?
申明:网友回复良莠不齐,仅供参考。如需专业解答,请学习本站推出的微波射频专业培训课程。

