求助这个SC放大器是如何抑制失调和运放增益误差的?
录入:edatop.com 阅读:

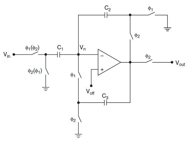
论文中说这个SC放大器可以消除失调,同时在低频时还能够减小运放的增益对该放大器的影响,运放增益导致的闭环误差为(1+C1/C2)/A^2。
该电路可以连接成inverting和non-inverting的形式。
不知道在考虑运放有限增益A和失调的情况下,如何推导这个SC放大器的传递函数。
大家一起讨论看看。
时钟什么样的,vn能放电骂?
PHI2作用时,C1上存储直流失调信息,PHI1作用时,运放的失调就被抵消了。
申明:网友回复良莠不齐,仅供参考。如需专业解答,请学习本站推出的微波射频专业培训课程。
上一篇:PTAT电流,流片出问题,肯请牛人指点
下一篇:Cadence LVS 求助

