Questions about error amplifier used for DCDC converter
录入:edatop.com 阅读:
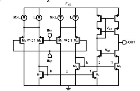
Does everybody know what is the principle of this error amplifier?
This amplifier can be used for DCDC converter transconductance amplifier. I need to know the principle it operate and what is the advantage and disadvantage of it
This amplifier can be used for DCDC converter transconductance amplifier. I need to know the principle it operate and what is the advantage and disadvantage of it
申明:网友回复良莠不齐,仅供参考。如需专业解答,请学习本站推出的微波射频专业培训课程。
上一篇:polyphase filter
下一篇:做AC-DC好还是做AD/DA 发展好?

