新手求助 VCO宽频带开关电容阵列
录入:edatop.com 阅读:
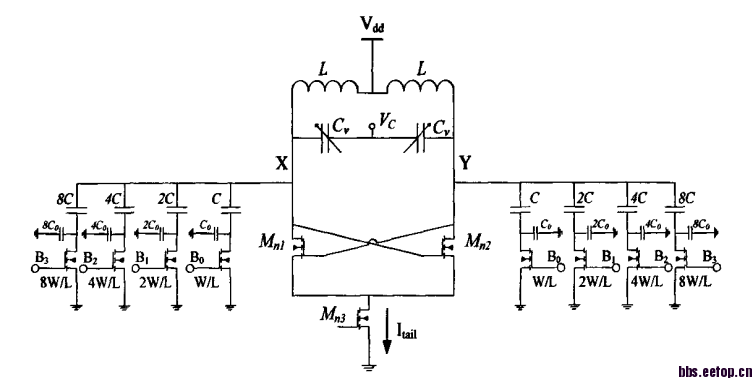
请求大家帮忙解答。看了一些有关开关电容的论文,那些开关的控制端B0,B1···是接到哪的?使用数字模块控制的么,还是其他一些方法?求指导~
谢谢大家~
谢谢大家~
求指导阿,大家帮忙
用数字模块控制的吧,用来校准工艺偏差,LC结构VCO的增益多半比较小。
谢谢,还想问下那管子的宽长是怎么设定的呢,有什么依据吗?
同问ls的问题
申明:网友回复良莠不齐,仅供参考。如需专业解答,请学习本站推出的微波射频专业培训课程。

