GM-C bandpass filter 稳定性稳定
录入:edatop.com 阅读:
[attach]449093[/attach]
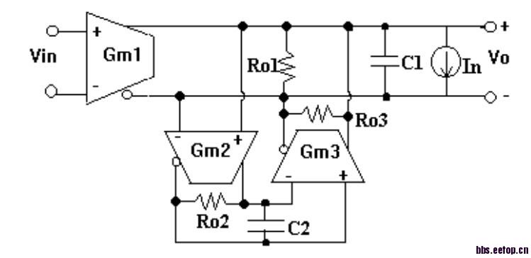
如上图的GM-C bandpass filter 中,GM2 GM3这个环路的稳定性怎么考虑啊 ?GM2 GM3 的主极点必然很靠近,那整个环路的相位裕度基本就很小,不小心就会振荡。
补上图
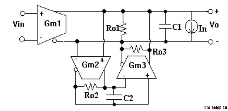
如上图的GM-C bandpass filter 中,GM2 GM3这个环路的稳定性怎么考虑啊 ?GM2 GM3 的主极点必然很靠近,那整个环路的相位裕度基本就很小,不小心就会振荡。

补上图

qite...
其实就是一个Gyrator,应该没有什么问题。具体可以推导下看看
申明:网友回复良莠不齐,仅供参考。如需专业解答,请学习本站推出的微波射频专业培训课程。
上一篇:PLL相位差如何减小
下一篇:采样保持电路的建立时间

