LDO稳压器的负载瞬态响应
录入:edatop.com 阅读:
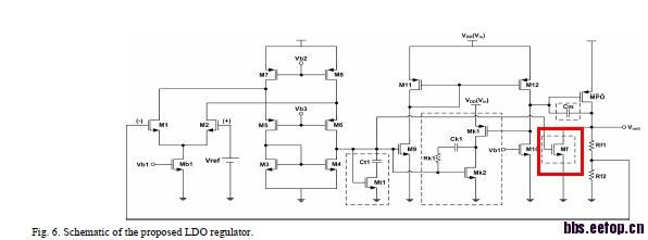
请问图中的器件是起到加强瞬态性能的作用吗?具体的原理是什么?宽长比应该怎么调呢?另外如何测量(不是仿真)LDO稳压器芯片的负载瞬态响应呢?


好复杂!
对于全负载到轻负载的变化起电流泄放作用!
一言惊醒梦中人啊,谢谢!
宇智 ?
不知道LZ还在不在,
我感觉这个电路实现起来好难啊,思考了两个问题:
1,我看图上gmk1和gmk2的实现方法是互为负载的共源级电路,正常工作时肯定要使两个管子都饱和吧,但是一个PMOS和一个NMOS电流源产生的电流是很难做到匹配的吧,产生电流能力稍大的那个电流源会进入线性区吧。或者你用什么办法可以稳定那个双极米勒补偿的工作点呢?
2,这个电路如何保证小负载电流的时候环路稳定性的?
buffer
可否理解为M9,M10,M11,M12组成没有电流源的类差分放大器,M12的漏电压等于M12的栅电压,Mk1的栅电压也等于其漏电压(Mk1的W/L等于M12的W/L,Mk2同M9,M10匹配),这样确定Mk1,Mk2的工作状态。仅供探讨。
这里应该是用了嵌套米勒补偿,稳定性应该可以保障吧
申明:网友回复良莠不齐,仅供参考。如需专业解答,请学习本站推出的微波射频专业培训课程。

