共源级with source degeneration电路的反馈类型是什么啊?
我觉得应该是检测输出电流,返回电压的 series-series feedback, 不知对不对,请教各位了。
画出小信号模型
求其输入输出阻抗的变化
就知道是那一种了
呵呵
Current-Voltage feedback, you can conduct the output resistance using feedback theory, it's make sense to understand the feedback effect, such as increasing output resistance for current -voltage feedback.
这个……往往大家会希望确定了反馈类型然后,就可以一眼看出输出电阻的变化了。
Thank you for your kindly reply.
So the current feedback at output node make the rout of this circuit much bigger , in fact multiplyed by gm*Rs
同样的电路输出在漏极就是series-series feedback,输出在源级就是series-shunt feedback。不知道对否。
Actually, if the output is the source, it's just a source follower, and the resistance connect to source is a load, not a feedback factor
电流采样,电压反馈
it's current-voltage feedback
既然电路的结构是一样的,那么不管是source degeneration还是source follow是否都应该是同样的反馈类型?或者都存在反馈(因为都在反馈环内)只是不同的反馈类型?换句话说我们能否利用反馈的原理求出source follow的gain,rin,rout?谢谢指教
显然不是,开环的A类放大器你认为存在反馈吗?
输出在源极还存在反馈吗。
应该有,说不太清,请高人指点
source degenerate 和source follower 看似结构一样,但取出输出信号的位置不一样,source degenerate从drain 输出电流(当然,接负载电阻即输出电压信号),其电流流过接在source端的电阻,从该电阻上的电压即反映出输出电流,该sense到的电流信号以电压信号的形式和输入信号相减(输入在gate,反馈在souce),此即构成电流-电压反馈;但source follower仅仅是一个放大器(gain接近1),没有电压或电流信号反馈,当然就不能用反馈原理去解释。(上班时间只能用公司电脑以英文回复)。
我不是很理解,但是我在Gray的模拟集成电路的分析与设计英文版192面的3.3.6节 Common-Collector Configuration(Emitter Follower) 看到这样一段话。
"When the input voltage vs increases, the base-emmitter voltage of the transistor increases, which increases the output current io. However, increasing io increases the output voltage vo, which decreases the base-emitter voltage by negative feedback. Negative feedback is covered thoroughly in Chapter 8."
allen兄回答得很对,共源的时候从源极输出只是跟随器,不是起放大作用,一般做level shift,源端有电阻也不存在反馈!
common-drain stage确实是 local series-shunt feedback,gray的8.6.2节有二端口网络的反馈模型。
Maybe you are right, I tried to understand the source follower based on feedback theory these days, but I have not found the answers. As you said, if it is a series-shunt feedback, many current-voltage feedback character should be applied into it, e.g, this type feedback can increase the output resistance, but I have not understand it. Anyone who make clear it please give your opinion. Thanks.
source follower确实是电压-电压型的反馈, 我画了两个小信号的图, 从第二个图就可以看出来它的确是series-shunt型的反馈, 并且反馈系数为1, 完全可以从第二张图出发按照反馈电路的分析方法推出source follower的增益和输出电阻的表达式

Your's analysis is make sense, but the small signal diagram have a little problem, that is the voltage control current source is gm*ve, but not gm*vin. And I don't know why you refer sereies-shunt as voltage-voltage feedback, though source follower seems like voltage-voltage feedback, and just now discussed with my teammates, they also think it is v-v feedback, but still can not make clear it. Thanks.
谢谢关注,我也是刚看书搞明白。
forward gain=gm*R' (R'=ro//1/gmb//Rload)
feedback factor=1
Av=gm*R'/(1+gm*R')=...
Ro=R'/(1+gm*R')=...
~ ~ LU GUO
是的,没错
分析得不错,我也觉得source follower是个电压电压型反馈
看了大家的分析,理解更加透彻了
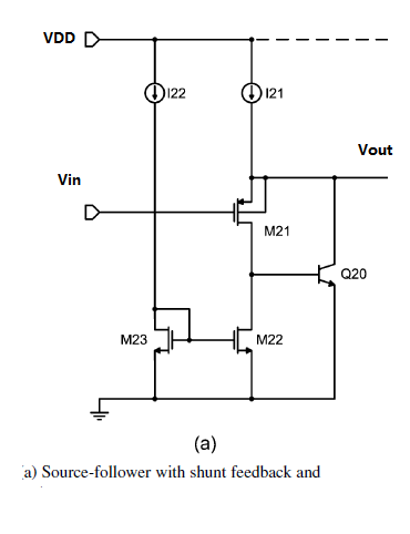
请问这种是不是反馈呢,是什么类型 的反馈.只能确定出输出是电压取样,因为大大减小了输出电阻,对输入的求和方式,不知道怎么判断了呀
哪位大侠来分析一下
电路结构样子貌似相同,信号输入输出点不同,其实就是不同的电路,反馈更得具体看了。
申明:网友回复良莠不齐,仅供参考。如需专业解答,请学习本站推出的微波射频专业培训课程。

